Danfoss или EBI1P = 052F0040 11kv 50mA высоковольтный трансформатор зажигания котла косвенный для


Поделиться:

Цена:30,00 $ - 34,00 $*
Стоимость в USD (на сегодня):Узнать

Количество:

Описание и отзывы

Характеристики



Product Description


Danfoss OR EBI1P=052F0040 11kv 50mA High Voltage Burner Boiler Ignition Transformer Indirect For Industrial




Design
EBI is compact because it incorporates an EBI units are robust, built up in a plastic electronic circuit operating on a frequency of enclosure with moulded-in electronic circuit. approx. 20 kHz. Increasing the frequency This ensures thermal stability and outstanding makes it possible to reduce the magnetic resistance to mechanical influences, moisture circuit of the high-voltage coil and also and dirt. enables the transfer of the same amount of energy as with traditional transformers. The design and materials used in the EBI ensure high operational stability with reliable ignition characteristics.



The Applications
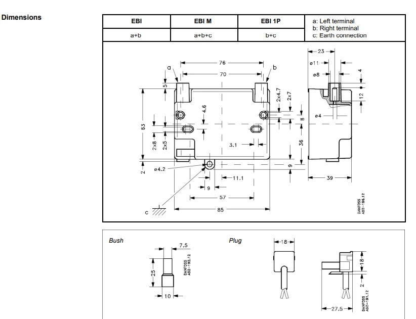
The EBI series are electronic ignition units for the intermittent ignition of oil and gas burners. Type EBI is a 2-pole version for ignition between two ignition electrodes. Type EBI M is like type EBI a 2-pole ignition unit, but with the secondary midpoint connected to earth. Type EBI 1P is a 1-pole version for ignition between one ignition electrode and frame.
The EBI series both have a plug on the primary side and secondary side, which makes installation and servicing simple. Low weight and small dimensions make the EBI series very suitable for use on modern compact burners as well as on more conventional burners.




Installation
The EBI series can be installed in any position. There are two sets of mounting holes, one set of which allows installation under the burner control box. Electrical connection The primary side is connected with a special plug fitted with a lock. The plug can be released by inserting a screwdriver under the lock and pulling the plug upwards. Phase and neutral can be connected at random without affecting function. Type EBI is double-insulated and must not be connected to earth. Type EBI M and EBI 1P must be connected to frame using the tab on the side of the enclosure. The connection must be secured with at least a 3 mm
screw with serrated washer. High-voltage connection High-voltage connection is via a 4 mm round plug. Ignition cables must be fitted with a corresponding female connector, e.g. AMP no. 925688.
Note: If the high-voltage connections on EBI are led through the burner housing, there must be an adequate insulation gap.
Pay attention to
• air space between cable and frame
• leakage path
• the insulation provided by the insulation material
















Specification


item
value
Condition
New
Warranty
1.5 years
Applicable Industries
Building Material Shops, Manufacturing Plant, Machinery Repair Shops, Printing Shops, Energy & Mining, Food & Beverage Shops, Advertising Company
Weight (KG)
2
Showroom Location
None
Video outgoing-inspection
Provided
Machinery Test Report
Provided
Place of Origin
Denmark
Brand Name
Danfoss
Type
Gas Burner
Product name
Danfoss OR EBI 1P =052F0040 11kv 50mA High Voltage Burner Boiler Ignition Transformer
Model
EBI 1P =052F0040
Brand
Danfoss
Color
Black
Power supply
230 V 0.25A 50/60 Hz
Ambient temperature
-10°C to +60°C
After Warranty Service
Video Technical Support
Application/Usage
Gas Burners Industrial Accessories
ED in 3 minutes (cutting in)
33%
Short circuit current
50 mA (rms)


Packing & Delivery




Carton Box Packing


Recommend Products




SVP20-100






Похожие товары

Новинки - Розница

0.0498 s.