Детали сварочного аппарата D76R-2495-220-504A-BK1.2/1


Поделиться:

Цена:4 143,59 ₽*
Стоимость в USD (на сегодня):Узнать

Количество:

Описание и отзывы

Характеристики

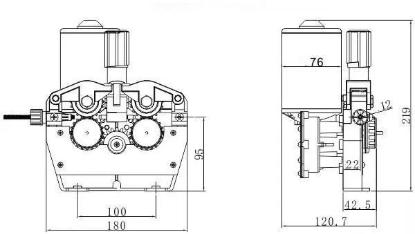
D76R-2495-220-504A-BK1.2/1,6 аксессуары для сварочного аппарата
Модель: D76R-2495-220-504A-BK1.2/16.

 

 

Технические параметры:

ПредметТипичное
Тип мотораD76
Напряжение двигателяDC 24 V
Motr выходная мощность95 W
Скорость холостого хода220 об/мин
Ток холостого хода1.8A
Крутящий момент, крутящий момент24N. м
Ток опрокидывания20A
Кормушка для рамки504A
Размер ролика40*32*10 мм
Нанесите на вес проволочного рулона15 кг, 5 кг
Провод питания диаметрПровод сердечника потока, 0,6, 0,8, 0,9, 1,0, 1,2, 1,6 мм
Максимальная скорость подачи26 м/мин
Мини постоянное рабочее напряжение в нагрузкеDC4.5V

 

 

Рисунок:

 DRAWING 504A.jpg

 

 

 

Завод:

factory 1factory 2factory 3

 


Новинки - Розница

0.0036 s.