Поделиться:
GD-J клапан с высоким вакуумом используется для отключения или подключения воздушного потока в вакуумной системе. Детали привода имеют винтовую резьбу. Это легкое и удобное действие и надежная работа.GD-J клапан с высоким вакуумом используется для отключения или подключения воздушного потока в вакуумной системе. Детали привода имеют винтовую резьбу. Это легкое и удобное действие и надежная работа.
Основные технические характеристики | |
Применимый диапазон (па) | 2x105 ~ 1.3x10-4 |
Уровень утечки газа (Pa.L/S) | ≤ 1.3x10-6 |
Температура Meidum (℃) | -25 ~ + 80 (уплотнительный материал: акрилонитрил бутадиен каучук) |
-30 ~ + 150 (уплотнительный материал: фторкаучук) | |
Материал основных частей Клапана | Нержавеющая сталь или углеродистая сталь |
Место установки | Какие-либо |
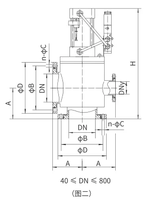
Модель | Номинальный диаметр (DN) | ΦD | Φb | H | А | Φw | N-Φc |
DNy (Преднасосный порт) |
Фланец Стандарт |
GD-J40 | 40 | 100 | 80 | 180 | 70 | 56 | 4-Φ9 | / | Солнечного коллектора GB/T6070 |
GD-J50 | 50 | 110 | 90 | 305 | 70 | 100 | |||
GD-J63 | 63 | 130 | 110 | 348 | 88 | 125 | |||
GD-J80 | 80 | 145 | 125 | 414 | 98 | 160 | 8-Φ9 | ||
GD-J100 | 100 | 165 | 145 | 430 | 108 | ||||
GD-J125 | 125 | 200 | 175 | 516 | 128 | 8-Φ11 | JB919 | ||
GD-J(S)150 | 150 | 220 | 195 | 550 | 138 | 200 | DN40(GB4982) | ||
GD-J(S)160 | 160 | 225 | 200 | 550 | 138 | ||||
GD-J (ы) 200 | 200 | 285 | 260 | 678 | 200 | 12-Φ11 | DN50(GB/T6070) | Солнечного коллектора GB/T6070 | |
GD-J(S)250 | 250 | 335 | 310 | 745 | 208 | 250 | DN63(GB/T6070) | ||
GD-J (ы) 300 | 300 | 380 | 350 | 822 | 250 | 8-Φ14 | DN80(GB/T6070) | JB919 | |
GD-J (ы) 400 | 400 | 510 | 480 | 1180 | 330 | 400 | 16-Φ14 | DN100(GB/T6070) | Солнечного коллектора GB/T6070 |
Электрический клапан с высоким вакуумом
GDC-J серия электромагнитного вакуумного клапана принимает электромагнитное усилие по мере динамики, чтобы сделать клапан открытым или закрытым. Этот клапан подходит для отрезания или подключения воздушного потока в высокой и низкой вакуумной системе. Подходящими активными средами являются воздух, некоррозионный газ или газ без гранулированной пыли.
Основные технические характеристики | |
Применимый диапазон (па) | 105 ~ 6.7x10-4 |
Уровень утечки газа (Pa.L/S) | ≤ 6.7x10-4 |
Применимая температура (℃) | -25 ~ + 40 |
Температура обмотки (℃) | ≤ 65 |
Время открытия и закрытия клапана | 3-5 лет |
Номинальное напряжение (В/Гц) | 220 ± 10%/50 |
Место установки | Вертикальный |
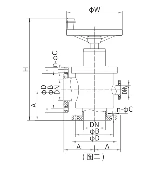
Размер контура и размер соединения | ||||||||
Модель | DN | Φw | ΦD | Φb | H | А | N-d | Стандартный фланец |
GDC-J16B /KF | 16 | 68 | 30 | 17,2 | 186 | 40 | / | GB4982 |
GDC-J25B /KF | 25 | 82 | 40 | 26,2 | 193 | 50 | ||
GDC-J32B/KF | 32 | 110 | 55 | 41,2 | 244 | 65 | ||
GDC-J40B/KF | 40 | 125 | 75 | 52,2 | 307 | 70 | ||
GDC-J50B /KF | 50 | 125 | 75 | 52,2 | 307 | 70 | / | |
GDC-J50B | 50 | 125 | 110 | 90 | 314 | 80 | 4-Φ9 | Солнечного коллектора GB/T6070 |
GDC-J65B | 65 | 135 | 130 | 110 | 343 | 88 | ||
GDC-J80B | 80 | 135 | 145 | 125 | 387 | 95 | 8-Φ9 | |
GDC-J100B | 100 | 165 | 165 | 145 | 399 | 108 | ||
Примечание: Используйте фланец KF40 GDC - J32B/KF стандарт |
Пневматический клапан с высоким вакуумом
GDQ серия пневматический клапан высокого вакуума сжатый воздух управляется через Соленоидный клапан Gaibian пневматическое рулевое управление направление продвижения поршня движется вверх и вниз, движение вверх и вниз штока для открытия или закрытия пластины клапана, чтобы достичь в вакуумной системе подключения или отключения целей потока. Модель GDQ-j-type для углового прохода, модель GDQ-s для пасти звеньев с преднасосным типом. Подходит для работы среды с воздушными и некоррозионными газами.
Основные технические характеристики | |
Объем (Pa) | 105 ~ 1.3x10-4 (материал уплотнения вала резиновый) |
105 ~ 1.3x10-6 (материал уплотнения вала сильфоны) | |
Скорость утечки клапана (Pa.L/S) | ≤ 1.3x10-5 (материал уплотнения вала резиновый) |
≤ 1.3x10-7 (материал уплотнения вала сильфон) | |
Средняя температура (℃) | -25 ~ + 80 (материал уплотнения FKM) |
-30 ~ + 150 (материал уплотнения FKM) | |
Материал основных частей Клапана | Нержавеющая сталь или углеродистая сталь |
Давление воздуха (МПа) | 0,4 ~ 0,8 |
Стандартный фланец | GB4982 |
Место установки | DN<300 случайный, DN≥ 300 вертикальный |
Напряжение питания | Стандартная фабрика: ac220в/50 Гц |
Специальное обозначение: AC110V;DC24V;DC12VEtc. | |
Сигнал обратной связи | Стандартная фабрика: сигнал без обратной связи |
Специальное назначение: магнитный переключатель постоянного тока/AC5 ~ 240 В |
Размер контура и размер соединения | ||||||||
Модель | DN | ΦD | Φb | H | А | N-Φc | DNy (Преднасосный порт) |
Стандартный фланец |
GDQ-J40 | 40 | 100 | 80 | 230 | 70 | 4-Φ9 | / | Солнечного коллектора GB/T6070 |
GDQ-J50 | 50 | 110 | 90 | 276 | 70 | |||
GDQ-J63 | 63 | 130 | 110 | 283 | 88 | |||
GDQ-J80 | 80 | 145 | 125 | 314 | 88 | 8-Φ9 | ||
GDQ-J100 | 100 | 165 | 145 | 338 | 108 | |||
GDQ-J125 | 125 | 200 | 175 | 424 | 128 | 8-Φ11 | ||
GDQ-J(S)150 | 150 | 220 | 195 | 482 | 138 | DN40(GB4982) | JB919 | |
GDQ-J(S)160 | 160 | 225 | 200 | 482 | 138 | Солнечного коллектора GB/T6070 | ||
GDQ-J (ы) 200 | 200 | 285 | 260 | 620 | 200 | 12-Φ11 | DN50(GB/T6070) | |
GDQ-J(S)250 | 250 | 335 | 310 | 655 | 208 | DN63(GB/T6070) | ||
GDQ-J (ы) 300 | 300 | 380 | 350 | 783 | 250 | 8-Φ14 | DN80(GB/T6070) | JB919 |
GDQ-J(S)320 | 320 | 425 | 395 | 789 | 250 | 12-Φ14 | Солнечного коллектора GB/T6070 | |
GDQ-J (ы) 400 | 400 | 510 | 480 | 1210 | 330 | 16-Φ14 | DN100(GB/T6070) | |
GDQ-J (ы) 400 | 400 | 500 | 465 | 1210 | 330 | 8-Φ18 | JB919 | |
GDQ-J(S)500 | 500 | 610 | 580 | 1270 | 360 | 16-Φ14 | DN125(GB/T6070) | Солнечного коллектора GB/T6070 |
GDQ-J(S)600 | 600 | 710 | 670 | 1562 | 450 | 12-Φ21 | DN160(GB/T6070) | JB919 |
GDQ-J (ы) 630 | 630 | 750 | 720 | 1562 | 450 | 20-Φ14 | Солнечного коллектора GB/T6070 | |
GDQ-J(S)800 | 800 | 920 | 890 | 1900 | 520 | 20-Φ21 | DN200(GB/T6070) | JB919 |
Почему стоит выбрать нас? |
Управление запросами и контактные данные |
Сопутствующие товары |
![]() |
![]() |
![]() |
![]() |
![]() |
![]() |