Китайский редуктор крутящий момент цветной энерговыход серии l


Поделиться:

Цена:3 000,00 $*
Стоимость в USD (на сегодня):Узнать

Количество:

Описание и отзывы

Характеристики



Product Description


No.
gearbox model
Ratio range
recommend screw diameter/mm
recommend power/HP
rating load torque/N.m
size(L*W*H)/mm
neight weight/KG
1
ZLYJ133
8/12.5/16/20
35/45/50
6~15
764
478*170*260
144
2
ZLYJ146
10/12.5/16/20
45/55
10~20
1165
560*250*320
205
3
ZLYJ173
10/16/20
55/65
15~30
1962
576*256*340
256
4
ZLYJ180
65
15~40
2764
650*256*400
350
5
ZLYJ200
12.5/16/20
65/75
30~60
3583
750*340*480
350
6
ZLYJ225
12.5/16/20
90
40~75
5334
800*360*500
650
7
ZLYJ250
16/12.5/20
100
50~100
6306
930*380*560
815
8
ZLYJ280
16/12.5/20
105/110
75~122
7643
970*410*600
1020
9
ZLYJ315
16/12.5/20
120
100~175
11822
1160*450*700
1410
10
ZLYJ330
16/12.5/20
150/160
150~217
21000
1160*450*700
1520
11
ZLYJ375
16/12.5/20
150/160
217~312
21096
1280*466*800
1800
12
ZLYJ420
16/12.5/20
150/165
272~428
25478
1420*550*920
1800
13
ZLYJ450
16/12.5/20
165
380~544
33885
1550*1200*1000
3560






Product photos




Video Description




The production process





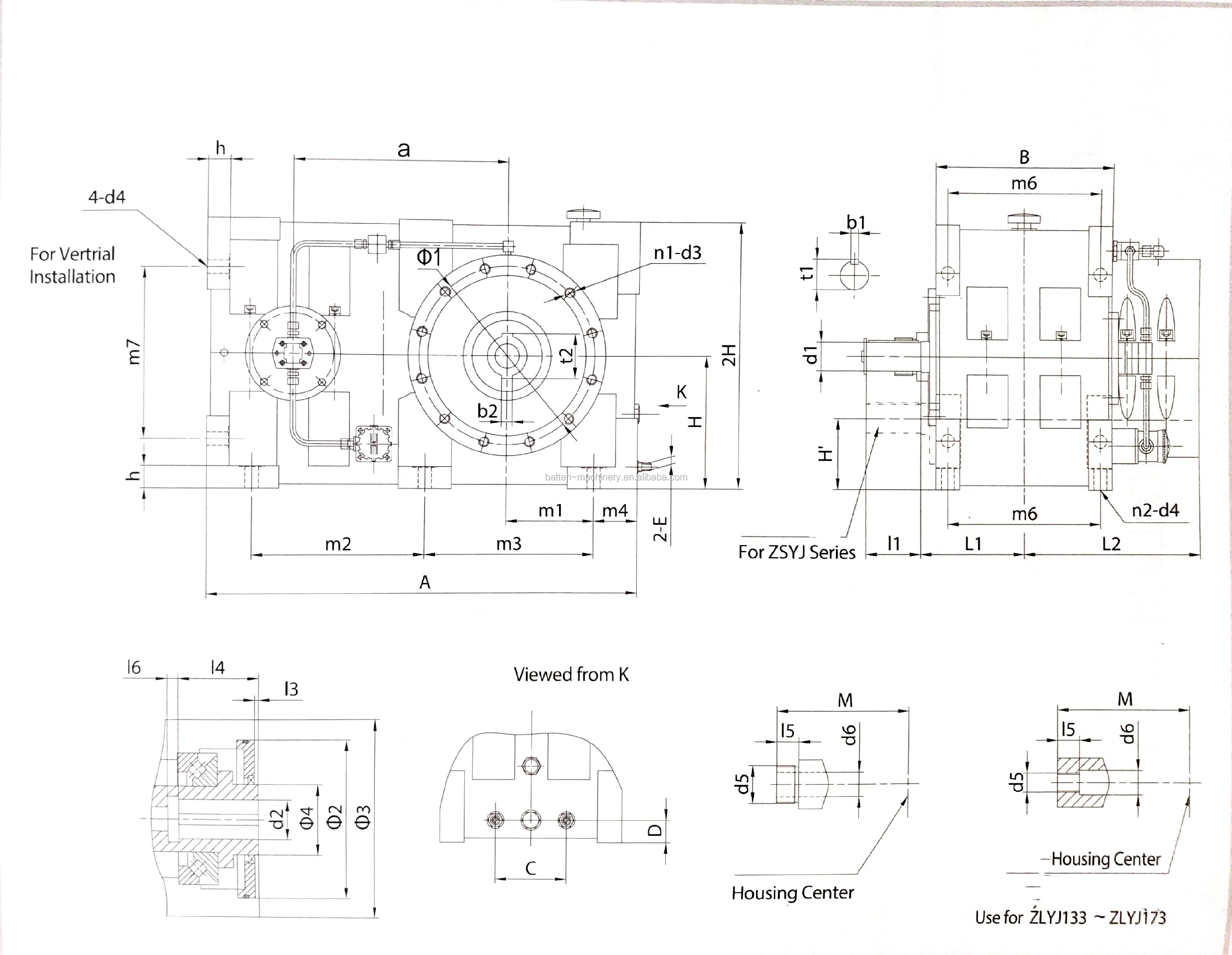
SZ Series gear box for conical twin-screw

SZ serial gearbox for conical twin-screw Rod Extruder is a special driving unit matched with conical twin-screw rod extruder.It consists of two parts,namely,the reduction box and the distribution box.
After reducing speed and increasing torque of themotor,it outputs the motive power to the distribution box,then drives the double output shafts(the included angle is the same withthat of twin-screw rods)via a pair of small conical spiral gears with driving ratio of 1:1,thus to drive screw rods to rotateoutward with different direction.





1.There are involute cylindrical gears in the gearbox,which data and structure are optimally designed by the computer.

2.The gears are made of top-quality high-strength low carbon alloy steel after carbon penetrating,quench and teeth grinding.It has high hardness on teeth surface.large bearing ability,small noise,smooth operation and high driving efficiency.

3.The material of the distribution box is nodular graphite casting iron and the gears have high-strength ground teeth,in whichsnake-shaped cooling water pipes are distributed.

4.The maximum input speed of the gearbox is normally not larger than 1500 rpm.

5.The temperature in work environment is -10-45,when temperature is lower than 0,the lubricant oil should be preheated to +10before starting.


Packaging




Company Profile


Batten is located in "China Screw Barrel Home Town",where has 30 years history. We are experted in various kinds of screw and barrel designs. We understand the needs of your business and have designed our products, from extrusion lines screw and barrel to injection machine screw barrel, to enhance the performance of your polymer processes.


Contact Us





Lily

Mob:+86  18605800326(Wechat,Whatsapp)

Web:www.batten-machinery.com

Email:batten@batten-machinery.com



Add:No.5,1st Branch,Lingang 2nd Road,

Shuangqiao Industry Zone,

Zhoushan City,China

T:+86 580 8015962  F:+86 580 8015961



Thanks for your visting!

 

Let's Replace Your Screw Barrel  abs plastic extrusion screw barrel




Похожие товары

Новинки - Розница

0.0478 s.