Автоматическая машина для литья крышек пластиковых бутылок U140TS малого


Поделиться:

Цена:*
Стоимость в USD (на сегодня):Узнать

Количество:

Описание и отзывы

Характеристики





Products Description




U140TS
Unit
A
B
C
INJECTION UNIT
SCREW DIAMETER
mm
38
40
45
SCREW L/D RATIO
L/D
23.2
22
19.6
SHOT VOLUME(THEORETICAL)
cm3
214.8
238
301.2
INJECTION PRESSURE
Mpa
199.4
180
142.2
SCREW SPEED
rpm
200
SHOT WEIGHT(THEORETICAL)(PS)
g
195
217
274
SHOT WEIGHT(THEORETICAL)(PS)
oz
6.878
7.654
9.665
CLAMPING UNIT
CLAMPING FORCE
Kn
1400
OPEN STROKE
mm
380
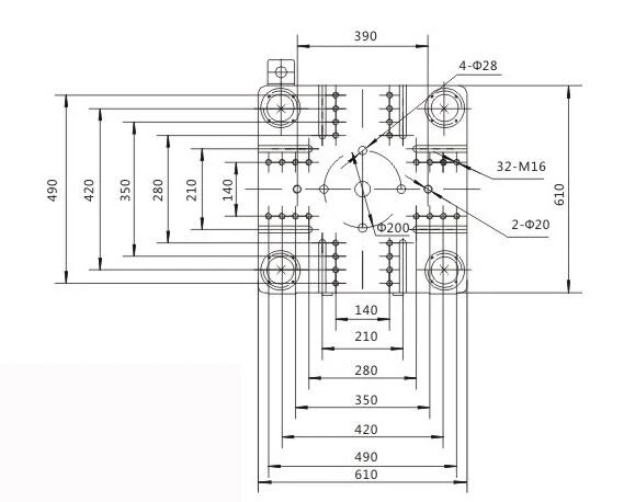
SPACE BETWEEN TIE BARS(W*H)
mm
420*420
MAX.MOULD HEIGHT
mm
440
MIN.MOULD HEIGHT
mm
140
EJECTOR STROKE
mm
115
EJECTOR FORCE
Kn
38
EJECTOR NUMBER

4+1
DIE HOLE DIAMETER
mm
125
OTHERS
SYSTERM PRESSURE
Mpa
16
MOTOR POWER
Kw
13
HEATING POWER
Kw
12.7
OIL TANK CUBAGE
L
170
MACHINE WEIGHT
Ton
3.9
BOUNDARY DIMENSION(L*W*H)
m
4.8*1.35*1.85
SERVO DRIVER CAPACITY
Kw
18


Details Images








Product Advantages


Sonly injection molding machine has a large diameter ratio, faster plasticization speed, short drying cycle, and ultra-high plasticizer capacity provide guarantee for the high efficiency of the whole machine.




1. New conjoined hyperbolic elboe five fulcrum clamping mechanism, after a detailed calculation, manual and software running curve is more stable, smooth process is faster, and longer service life
2. New conjoined template through finite element analysis software, reasonable structure, convenient maintenance, good rigidity, high strength, small deformation
3. Electronic scale attached to cross, speed control is more agile, is conducive to protect the mould
4. Lubrication automatic detection alarm function, can effectively guarantee the lubrication of all nodes in place
5. Compared with the same, we have a bigger bar spacing, molar volume and open mold, processing more plastic products, the high cost performance of the machine






Recommend Products




Applications




Why Choose Us




FAQ





Похожие товары

Новинки - Розница

0.0551 s.