SDAPO PM1202 IEEE802.3af/at стандартный режим или контакта 12 В 2 А модуль POE с поддержкой 10 м/100 м/1000


Поделиться:

Цена:4,44 $ - 4,88 $*
Стоимость в USD (на сегодня):Узнать

Количество:

Описание и отзывы

Характеристики



Products Description


You are welcome to customize the POE modules of various sizes and appearances and function.The layout is required to receive the initial research and development expenses.After ordering a certain number of modules (usually 5000 pieces), the r&d cost can be deducted.After the sample is qualified, batch production.


DESCRIPTION

12V 24W PD(Powered Device) Integrated Module (Isolation Type)

FEATURES\t
-\tFully\tsupports IEEEⓇ Std.\t802.3af-2003
-\tInput Voltage Range 44V\tto 57V
-\tShort\tCircuit Protection\t
- In-rush Current Limit
-\tOver-temperature\tProtection\t\t
-\tProgrammable Classification (Default\t:Class\t0)
-\tHigh\tEfficiency\t\t\t\t
-\tEasy\tInstallation and\tLow Cost\t(Isolation\tType, Minimum External Devices required)\t\t\t\t\t
-\tLow Output Ripple and\tNoise\t\t
-\tAdjustable Output\tVoltage\t\t
- 1500Vrms Isolation (Input-Output)

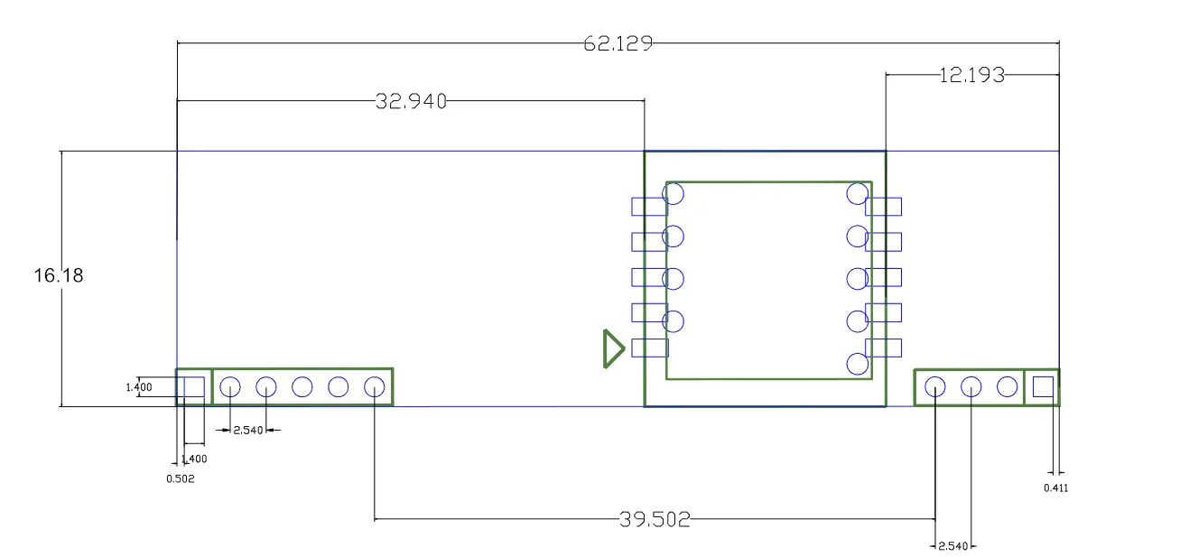
PIN\tASSIGNMENT


Pin #
Name
Description
1,2
NC
Do Not Connect.
3
VA1
Input (1). This input pin connects to the centre tap of the transformer connected to pins 1&2 of the RJ45 connector. It is not
polarity sensitive.
4
VA2
Input (2). This input pin connects to the centre tap of the transformer connected to pins 3&6 of the RJ45 connector. It is not
polarity sensitive.
5
VB1
Direct Input (1). This input pin connects to pin 4&5 of the RJ45 connector(or centretap of 4&5). It is not polarity sensitive.
6
VB2
Direct Input (2). This input pin connects to pin 7&8 of the RJ45 connector(or centretap of 7&8). It is not polarity sensitive.
7,8
-VDC
Negative DC Output. This pin provides the -VDC output.
9,10
+VDC
Positive DC Output. This pin provides the +VDC output.


ELECTRICAL SPECIFICATIONS


No
Item
Specification
1
Input Voltage
44~57V
2
Output Voltage
12V Typ.
3
Output Current (Vin=56V)
2.5A Max.
4
Line Regulation
2%
5
Load Regulation
2%
6
Ripple & Noise
200mVp-p max.
7
Efficiency
85% min.
8
Input to Output Isolation
1500 Vrms
9
Type of DC/DC Converter
Flyback Type
10
Operating Temperature
-40 ~ +85℃


12V\tPD Module\tPN : PM1201lB




PHOTO IMAGE






Hot Products




Company Profile




Our Certificate




Our Exhibition




Our Advantages




Payment & Shipping




FAQ





Новинки - Розница

0.0426 s.