HPE71 4.0kw резки с высоким крутящим моментом двигатель быстроходного шпинделя фасонно-фрезерного станка ЧПУ переменного постоянного тока воздушным


Поделиться:

Цена:510,00 $ - 585,00 $*
Стоимость в USD (на сегодня):Узнать

Количество:

Описание и отзывы

Характеристики



Product description



SEIMEC
Seimec motor adopts grinding process, which can improve the concentricity of spindle motor and prolong its service life
High precision motor, fast heat dissipation, low noise, rated speed 3000rpm


Core advantage
Seimec motor supports multi-national voltage. It can adjust the running speed according to different industries and run smoothly,
Easy installation, high performance, long service life, complete motor models, support non-standard customization


Scope of application


extensive use
Wood machinery, aluminum machinery, plastic machinery, glass machinery, stone machinery
Automation equipment, light metal machinery and other machinery manufacturers





Product Paramenters


Basic product parameters
Seimec sawing motor
[power range] 4.0kw
[rotation direction] SX left rotation, DX right rotation
[cooling mode] air cooling(coaxial fan)
[series] hpe63 series hpev63 series (with brake function)
[model] hpe71mb2b34 4.0kw
hpe71la2b34 4.6kw
hpe71lb2b34 5.2kw
Note: this series of motors have many specifications.Please contact our company to confirm the motor parameters and installation dimensions before ordering


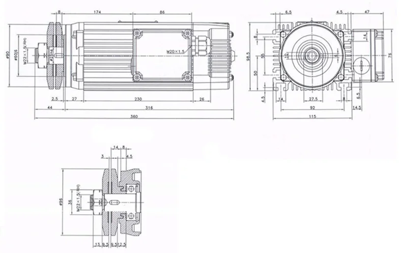
Seimec drawing
Hpe71mb-4.0kw right hand drawing






Product details display




1. SEIMEC motor supports multi-national voltage and can adjust the running speed according to different industries





2. SEIMEC motor runs smoothly, easy to install and has high performance





3. SEIMEC motor can be customized with brake, good brake function



Application equipment






Company Profile



Shandong Pengchuan Electromechanical Technology Co., Ltd. is mainly engaged in SEIMEC sawing motor and brake motor, ELTE motorized spindle IMS cutter, FAM drill row, SUNYE inverter, ORMT reducer and ordinary motor and motorized spindle. Widely used in wood, aluminum, plastic, glass, stone, light metal and new materials processing machinery industry: cutting, drilling, carving, polishing, slotting, grinding and other mechanical equipment. There are hundreds of large, medium and small customers at home and abroad (Indonesia, Canada and Vietnam, etc.) and have established a solid customer base. Our company is committed to building and online and offline shopping mall with consumer satisfaction. Since the establishment of the company, in line with the belief of"enterprising, realistic, rigorous and united", we have been constantly exploring domestic and foreign markets; adhering to the business philosophy of "quality-oriented, integrity and win-win, integration of the four seas", we have maintained competitiveness in the fierce market competition and achieved rapid and stable development.
Shandong Pengchuan mechanical and Electrical Technology Co., Ltd. is dedicated to providing you with better motor technology and solutions with better performance price ratio and perfect pre-sale and after-sale service, and establishing a regular return visit system. Looking forward to becoming your reliable long-term partner.


Exhibition






Packing&delivery








FAQ


1. Do you support customized manufacturing?
A: Yes, we can customize the production according to the customer's requirements.
2、How long is your delivery time?
A: if it is in stock, it is usually delivered in 2-3 days. If there is no stock, it will be 5-10 days, depending on the quantity.
3. Do you provide samples? Is it free or extra?
A: Yes, we can provide samples and we need to pay the sample price
4、What can you buy from us?
A:Saw cutting equipment accessories motor, woodworking equipment carving accessories motor, inverter, system, etc
If you have any other questions, thanks



Новинки - Розница

0.0416 s.