Система ОВКВ термостат с вентиляторной катушкой Keycard оконная карта управление


Поделиться:

Цена:808,38 TRY*
Стоимость в USD (на сегодня):Узнать

Количество:

Описание и отзывы

Характеристики

Описание продукта:
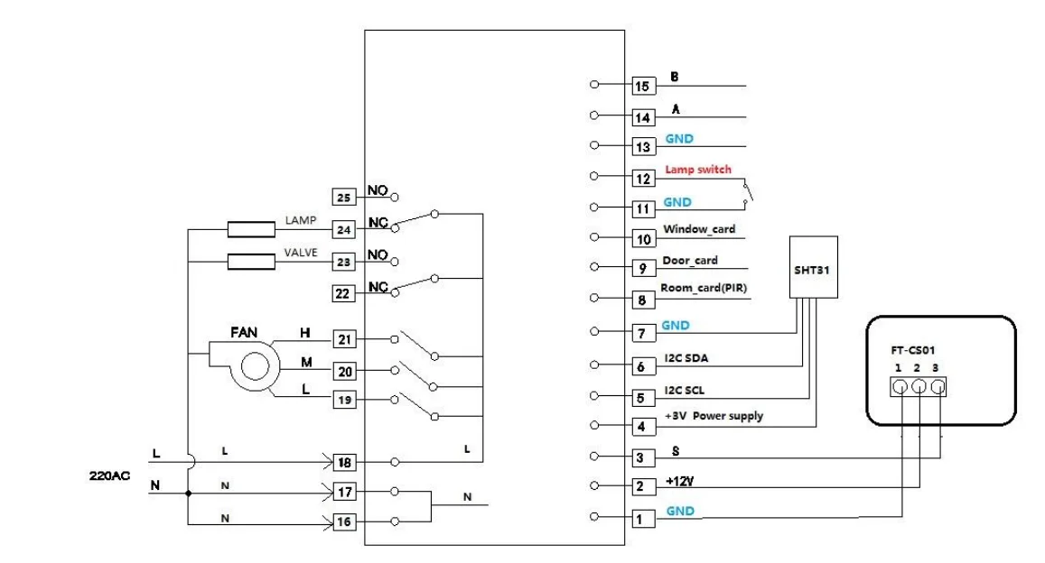
Это сложный сплит-термостат HVAC Hotel, который обеспечивает включение/выключение или модулирование блока катушки вентилятора, водяных клапанов. Состоит из двух частей, части дисплея термостата и части релейного модуля. Термостат дисплея использования 4,3 дюймовый цветной емкостный экран, которые позволяют чувствительной и сенсорной панелью управления. Модуль реле Макс. Может сделать 24 termianls, он почти может удовлетворить все приложения HVAC отелей.
Между разделительной частью и релейной модульной частью, они являются тремя проводными соединениями.
-GND
-12V
-Для передачи данных
Функции:
A.Djustable управление режимом нагрева/охлаждения/вентиляции
B. 3 скорости вращения вентилятора (вкл/выкл или 0-10 В)
C. Контроль клапана (вкл/выкл или 0-10 В)
D. 2 трубы или 4 трубы
E. Блокировка/разблокировка
F. Modbus
G. Ключ
H. Окном карты
I. Внешний датчик
Демонстрация товара

Application.jpgHVAC System.jpgDisplay.jpg

234324-01.jpg

Wring.png

Обзор фабрики

1_021_041_03

Упаковка & Доставка

.jpg

Вопросы и ответы

faq.png

Сопутствующие товары


Новинки - Розница

0.0052 s.