IP-камеры IEEE802.3af Power Over Ethernet 5V 1.8A PoE Модульная плата SDAPO DP9905 Прямая поставка с


Поделиться:

Цена:4,10 $ - 6,20 $*
Стоимость в USD (на сегодня):Узнать

Количество:

Описание и отзывы

Характеристики



Products Description


You are welcome to customize the POE modules of various sizes and appearances and function.The layout is required to receive the initial research and development expenses.After ordering a certain number of modules (usually 5000 pieces), the r&d cost can be deducted.After the sample is qualified, batch production.


DESCRIPTION

PD(Powered Device) Integrated Module (Isolation Type)

FEATURES
* I3af compliant,class 0 (0.44 Watts to 12.95 Watts).
* Low cost.
* Support PoE applications in both of Fast / Gigabit Ethernet environments.
* Support wide input voltage range 36Vdc to 57
* Thermal cut off.
* Short circuit protection.
* Over current protection
* High DC/DC converting efficiency.
* Isolation level 1.5KVrms.
* Enhanced surge protection

Product List


Part Number
Nominal Output Voltage / Current
Maximum Output Power
Nominal Input Voltage
DP9905
5Vdc / 1.8A
9W @ 25℃
48Vdc
DP9912
12Vdc / 1A
12W @ 25℃
48Vdc
DP9924
24Vdc / 0.5A
12W @ 25℃
48Vdc


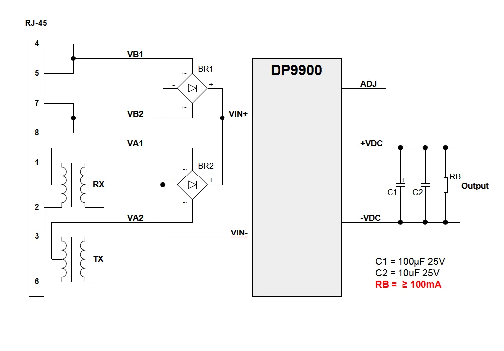
PIN ASSIGNMENT


Pin #
Name
Description
1

+VDC
DC Output. This pin provides the regulated output from the DC/DC converter.
3
-VDC
DC Return. This pin is the return path for the +VDC output.

4

ADJ
Output Adjust. The output voltage can be adjusted from is nominal value, by connecting an external resistor from this pin to
either the +VDC pin or the -VDC pin.
5

VIN+
Direct Input +. This pin connects to the positive (+) output of the input bridge rectifiers.
7

VIN-
Direct Input -. This pin connects to the negative (-) output of the input bridge rectifiers.


Typical Application




Output Filtering




Operating Temperature Range






Recommended Operating Conditions



Parameter
Min
Typ
Max
Units
1
Input Supply Voltage
36
48
57
2
Under Voltage Lockout
28
36
3
Operating Temperature
-40
25
85


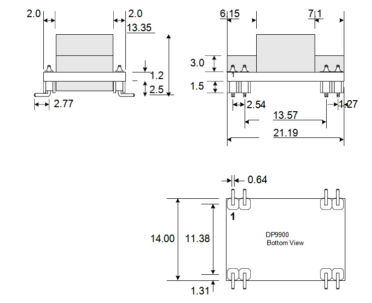
package






Recommend Products




Company Profile




Our Certificate




Exhibition




Our Advantages




Payment & Shipping




FAQ





Новинки - Розница

0.0528 s.