Фабрика производит высококачественные пластиковые режущие лезвия и


Поделиться:

Цена:21,00 $ - 21,50 $*
Стоимость в USD (на сегодня):Узнать

Количество:

Описание и отзывы

Характеристики





Product Description


Specialized factory production crusher blade is suitable for all types of shredder cutting plastic rubber wood.









Direction for use:

The crusher blade is one of the most important parts of the shredder, the commonly used materials are 6CrW2Si, H13, skd-11, D2,
DC53, LD, Cr12MoV, 9CrSi, etc. The quality of the shredder blade directly affects the service life and production efficiency of
the shredder.


Main feature:

1.Easy and fast cutting, sharp edge.
2.Long lifespan and stable performance
3.Good cutting result and high efficiency
Quality Control:
1.the hardness of the blade to ensure the good quality.
2.We check the flatness degree to see if it is up to standard.
3.We also do some cutting experiments to check its using function.
4.Professional manufacturing assembly line








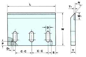
Specification


item
value
Place of Origin
Chian
Condition
New
Material
High speed steel, W6,W18
Spare Parts Type
blade
Video outgoing-inspection
Provided
Machinery Test Report
Provided
Marketing Type
New Product 2020
Warranty
6 months
Key Selling Points
Competitive Price
Applicable Industries
Garment Shops, Building Material Shops, Manufacturing Plant
Showroom Location
None
Surface treatment:
Heat Treatment
Application
Mainly used in plastics, rubber industry
Packing
Wooden Box
Model
custom
advantage
High wear resistance, sharp
MOQ
1piece
Product name:
Crusher Blade
Application machine:
Crusher Machine
Features
Wear
After Warranty Service:
Online support


Packing & Delivery




Wooden box


Company Profile






Nanjing Fengke machinery factory is located in Nanjing Lishui District Mingjue industrial Park, transportation position is superior, is a professional manufacturer of shear blade, the main products: all kinds of specifications and models of plate cutting machine blade, plastic crusher blade, steel rolling knife, bending machine blade, cutting up and down knife, round knife, etc.
Products cover metallurgy, machinery, rubber and plastic, paper, electronics, forestry six series, mainly sold to the country's large and medium-sized steel mills, paper, plastic, metallurgy, chemical, rubber tire factory and other industries, some products have reached the international level, and with the machine tool matching exported to Southeast Asia, Europe and the United States and other overseas regions.
Unit production scale up to thousands of varieties, with all kinds of multiple sets of production equipment have professional engineer dozens of, at the same time in order to improve the quality of products, the company has hired has more than 30 years production experience engineer, on-site guidance throughout the year, with excellent equipment, exquisite technology, strict inspection, advanced management, the company's product quality has always been in the front of the industry.


FAQ


1: Are you offering OEM/ODM service?
Yes, we have much experience of offering OEM/ODM service.
OEM/ODM are always welcomed.

2: What is your Payment Term?
T/T and irrevocable L/C at sight. For regular orders,we prefer 30% in advance,70% against copy of B/L. Other payment terms also
negotiable.

3: What is the lead time?
A: 35-45days after order and sample confirmed and sent deposit.

4: Can I get better price?
A: Prices are different for different order quantity and specific demands. We would like to offer you very good price to help you
enlarge the market share.



Новинки - Розница

0.0316 s.