32 л/мин передвижная машина для очистки масла гидравлического смазочного трансформатора Очищающее


Поделиться:

Цена:690,00 $ - 705,00 $*
Стоимость в USD (на сегодня):Узнать

Количество:

Описание и отзывы

Характеристики



Products Description




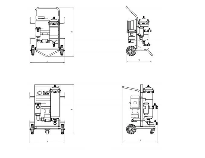
Movable oil filter cart
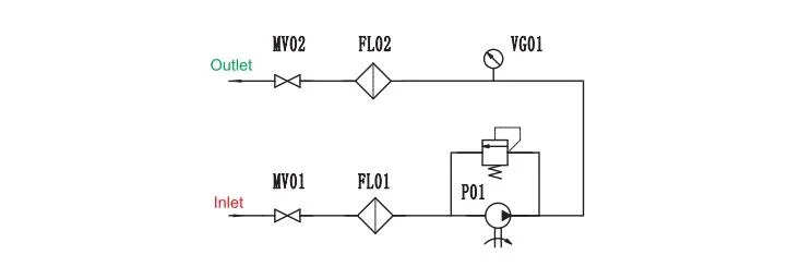
This filter cart includes a special gear pump driven by a motor. It has the characteristics of low noise, strong self-priming ability and stable operation.
The high-pressure pipeline is equipped with an overflow protection device, which can effectively protect the safety of the
hydraulic system.
It uses thermal relay protection to prevent motor damage which might be caused by motor overload.
The coarse filter at the suction port protects the oil pump and extends the service life of the main filter.
Different precision for the fine filter can be chosen according to different needs of users to achieve the required results.
The oil filter housing adopts a quick-opening structure. No special tools are need to quickly open the upper cover and replace the filter elements.
The panel is equipped with a pressure gauge, which continuously indicate the operating status of the system and the degree of pollution of the filter elements during work.


Product Name
Movable oil filter cart
Flow rate(L/M)
25~150
Pressure(Mpa)
0.6
Pressure loss(Mpa)
≤0.01
Coarse filter precision(um)
100
Fine filter precision(um)
3、5、10、20/40
DP(Mpa)
0.2
Temperature(°C)
5-80
Viscosity(cSt)
10-160
Voltage
AC380V 3 phase 50HZ(Adjustable)
Motor Power(kw)
0.75~3
Weight(kgs)
64~135


Product Details








Recommend Products






Company Profile


Zhengzhou Fluidguard Machinery Equipment Corp.
Zhengzhou Fluidguard is a leading manufacturer of various filtration and purification products and equipment. Having been in this industry for more than 15 years, our product line has been greatly expanded.
Now our main products include: hydraulic filters, compressor filters, water treatment equipment and oil purifiers. In
our company,we always adhere to the principle of "Quality First" to provide the best service to customers around the world.
Over the years, our products have been sold to more than 50 countries in the world, and have won the trust of all customers with the best quality and best service.
But we know this is not the end. Every day is a new beginning!
We put more energy into work, consider more for customers, and are committed to providing better products and service to all customers in the future, We are always ready to serve new customers. Our greatest joy is to bring our best quality products to more customers, so that more customers can enjoy our best quality products and warm service.


Buyer Feedback




Application




Package and Shipping




FAQ


1.What products do you have?

Our products are mainly including 4 series:
Hydraulic filters used from many industries such as coal industry, power plant, steel mills etc.
Air compressor parts(Air oil separator, oil filter, air filter, line filter, cooler etc.)
Water treatment equipments
Oil filtration equipments.

2.Are you a manufacturer or a trading company?

We are a manufacturer with good reputation in China as well as many other countries.

3.The filters you provide are original or replacement?
The filters we provide are not original, but good replacement for the big brands in the Hydraulic and Air Compressor industries.

4.How is your quality and price?

We know the market competition is fierce, so we are trying our best to lower the cost; but at the same time, quality is always the
First priority in our company.
We will never sacrifice quality for any reason, this is our bottom line.

5.What's your lead Time?

Around 7-10 days for most filter elements
Around 15 days for water treatment equipments and small oil filter cart
Around 25-30 days for the Oil Coalescer purifier and Vacuum oil purifier




Новинки - Розница

0.0353 s.