2 или 3 оси 20 футов 40 контейнер шасси скелет полуприцеп


Поделиться:

Цена:*
Стоимость в USD (на сегодня):Узнать

Количество:

Описание и отзывы

Характеристики





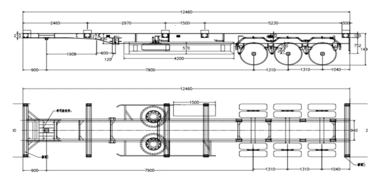
Products Description


Standard Type Skeleton Semi Trailer
High bearing capacity: The design of frame structure is optimized through advanced design concept on the basis of current ram materials to further improve the bearing capacity while reducing the dead weight.




Loading weight
50 tons
Size
12500*2500*1500 mm
Axle
3 axle
Tare weight
7.5 tons
Axle brand
3* 13 tons axle
Tyre brand
12 units 12.00R22.5 tires,Triangle brand
Rims
6pcs* 11.75-22.5
Suspension System
3 axle with spring suspension
Brake System
Dual line pneumatic brake system,T30/30 air chamber; parking brake,WABCO relay valve
Under Frame
Main Beam is height 500mm; Q345B steel;14/16/8mm
Side beam
16# U-steel
Kingpin
2'or 3.5(90mm) interchangeable
Landing Gear
28tons heavy duty; 2 pieces;
Platform
3mm thick checkered plate
Front headboard
1.5m high
Twist locks
8 pies for 1x40ft container or 2x20ft containers
Electrical System
1. Voltage: 24v 2.Receptacle: 7 ways (7 wire harness); German standard
Lights/ Reflectors
LED; Rear light, rear reflector, turn indicativelight,side reflector, fog lamp, number plate light
Painting
As your request
Spare Tyre Carrier
One piece
Toolbox
One piece


The size, color and logo can be customized. If you need more details, please contact me. We will supply the best service and price.


Product Display


1. Highly robust structure steel with tensile and high load capacity, 40 ton loading capacity .




2. Heavy duty mechanical spring suspension for high loads requirements needs and handly bad road condition.




3. Length and width of skeleton available custom made.




4. Air suspension and bogie suspension is an option.
8 units twist lock for carrying 20ft container and 40ft container.




Details Images




Product Application


Widely used in container logistics, port freight transfer stations, railway container handling stations, warehouses, military logistics, customs and other container distribution center.




More Products




Packaging & Shipping




Company Profile






Shandong ORENO Mechanical Co.,Ltd is a professional R&D and manufacturer of various trailer axles, suspensions and trailer parts. It is located in Liangshan county,China, one of the biggest trailer manufacturer bases in China. Since its establishment in 2001, we have adhered to high quality, high service, and high research and development, and continuously provided customers with high-quality and good price products, with customer satisfaction and lean manufacturing as our tenet, quality assurance and global service as our goal.
ORENO has strong technical force, advanced technology,complete equipment,first class production line,domestic and international advanced precision CNC and strict inspection process in dorder to provide customers with superior quality of semi-trailer axle assembly,single point suspension assembly and other relevant parts.ORENO has the annual production capacity of 160,000 sets American,German type axle assembly and 110,000 sets American,German type suspension.
We seek development by innovation,based on quality survival,reputation and price for competitive business philosophy,based in “trailer”,China. Exports to southeast Asia, the middle east, south Asia, central America, Africa and 30 other countries and regions have been well received by customers.







Похожие товары

Новинки - Розница

0.0515 s.