RV8-03/ M265 265V 3 фазы переменного тока регулятор напряжения


Поделиться:

Цена:6,48 $ - 8,27 $*
Стоимость в USD (на сегодня):Узнать

Количество:

Описание и отзывы

Характеристики


RV8-03/ M265 265V AC 3 Phase Voltage Conrol relay



Application


- Control for connection of moveing equipment(site equipment,agricultural equipent,refrigerated trucks).


- Control for portection of persons and equipment against the consequences of reverse running.


- Normal/energency power supply switching.


- Protection against the rise of a driving load(phase failure).





Feature


- Controls its own supply voltage(True RMS measurement).


Set 8-level rated operating voltage through knob.


- Measuring frequency range:45Hz-65Hz


- Voltage measurement accuracy<1%.


- Relay status is indicated by LED.


- 1-MODULE,DIN rail mounting.





Model explanation


Model.jpg





Technic data






















































































































































Technical parametersM460M265
FunctionMonitoring 3-phase voltage
Monitoring terminalsL1-L2-L3L1-L2-L3-N
Supply terminalsL1-L2L1-N
Voltage range220-230-240-380-400-415-440-460(P-P)                     127-132-138-220-230-240-254-265(P-N)                   
Ranted supply frequency45Hz-65Hz
Measuring range176V-552V101V-318
Threshold adjustment voltage2%-20% of Un selected
Adjustment of asymmetry threshold5%-15%
Hysteresis2%
supply indicationgreen LED
Time delayAdjustable 0.1s-10s,10%
Measurement error≤1%
Run up delay at power up0.5s time delay
Konb setting accuracy1% of scale value
Reset time1000ms
Temperature coecient0.05%/℃,at=20℃(0.05%℉,at=68℉)
Output1×SPDT
Current rating10A/AC1
Switching voltage250VAC/24VDC
Min.breaking capacity DC500mW
Output indicationred LED
Mechanical life

1×107


Electrical life(AC1)1×106
Operating temperrature-20℃ to +55℃(-4℉ to 131℉)
Storage temperature-35℃ to +75℃(-22℉ to 158℉)
Mounting/DIN railDin rail EN/IEC 60715
Protecting degreeIP40 for front panel /IP20 terminals
Operating positionany
Overvoltage categoryⅢ.
Pollution degree2
Max.cable size(mm²) soild wire max.1×2.5 or 2×1.5/with sleeve max.1×2.5(AWG 12)
Dimensions 90×18×64mm
 Weight64g
 Standards IEC/EN 60255-1,IEC/EN61010-1

 


Functions Diagram


Functions Diagram.jpg


 


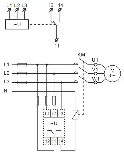
 Wiring Diagram


Wiring Diagram.jpg


 





Dimension


 Dimensions.jpg





Company Information


about-us


exhibition


sensor-certification-min 





Новинки - Розница

0.0407 s.