SiAECOSYS QS165 5000 Вт 72 в 35 ч Средний приводной двигатель с Fardriver ND72490B контроллер кодировщика


Поделиться:

Цена:618,70 $*
Стоимость в USD (на сегодня):Узнать

Количество:

Описание и отзывы

Характеристики


SiAECOSYS QS165 5000W 72V 35H Encoder Mid Drive Motor Kit Mid Drive Conversion Kit of Fardriver ND72490B Encoder Controller


For 165 5000W motor powertrain kits, it could be used for electric motorcycle, which could be 60V 90KPH.


e.g. Similar Light bee


E-motorcycle weight, approx 80kg+1*70kg


Speed: peak 90km/h


Gear ratio: 1:4.77


Climbing slope: 20°@10kph@150kg@60s


Tire: 100/70-19


 


P.S. If you have any confused about the shipping cost, please feel free to contact with us.


Also could place order but don't pay first, then we could adjust the price. 


 


Combo 


1. 1pcs X QS 165 5000W Encoder Mid Drive Motor 


2. 1pcs X ND72490B Encoder Controller with blue tooth


3. 1pcs X DKD speedometer


4. 1pcs X YY V3 throttle


5. 1pcs X Vehicle wiring harness with Relay, Flasher, Ignition, DCDC 72V to 12V 10A Converter


 .jpg


Key Features


1). Simplify to make a electric-motorcycle. Gearbox, transmission shaft, clutch are no need. Which save space.


2). It could be installed in the rear to save more space for battery.


3). Support regenerative braking


4). High efficiency: 85~92% 


 


Product Description


1. QSMOTOR 165 5000W Mid drive motor


 


 spec.jpg


 


 


 


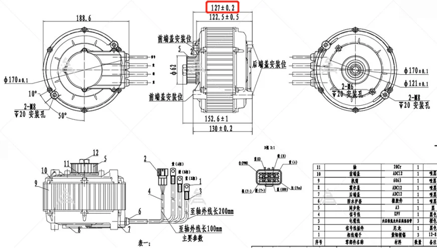
Drawing


 


Pls note: The width of QS165 Motor will update to 127MM instead of original 130MM from the batch dated 20220801.


 


165-127mm.jpg


 


 


 


 


 


 


Refer to motor batch date:


N-2022; 1-V1 version; 0801-0801


.jpg


 


 


Test Report


QS165+ND72490B


 72490.jpg


 


test report 165 -2.jpg


 


 


2.ND72490B sine wave Encoder Controller


 


ND series controller is sine wave type controller, which is DC controller with self-learning function. Generally, it matches well with QS 165 Mid Drive Motor, if you want to match with new brand motor, some parameters should be tested by yourself.


 ND72490B SPEC.jpg


 


 


Drawing 


 


 


 .jpg


                                                                                                                                                                                                                                                                                                                                                                                                                                                                                                                                                                                                                             


Controller Software Interface


 


1.png


 


Adapter Cable


.jpg


 


Dongle Adapter


.jpg


 


3. DKD speedometer, can-bus(optional, LIN as default)


It display D N R, P, S gear, and battery current X5/10.


P.s.: If the working battery doesn't have can-bus communication, then the can-bus speedometer will shows lack of electricity always.


So, we suggest to do the speedometer as Line communication version if client can't get can-bus battery.


.jpg


 


4. YY V3 Throttle


.jpg


 


 


 


Harness definition


Right bar


 


 YYV3-right.jpg


 


 


Left bar


 YYV3-left.jpg


 


 


 


5. Encoder version vehicle wiring harness


 


With 1pcs Relay, 1pcs Flasher, 1pcs 72V to 12V 15A DC converter, 1pcs Ignition, suitable for QS165 encoder motor and QS180 encoder motor


 


.jpg


Harness definiton


pls ask seller for it.


 



Company profile


1.jpg


 


2.jpg


-_02.jpg3.png


 


 


-_04.jpg-_05.jpg 




                                                                                             



Новинки - Розница

0.0276 s.