TC4M PID управление несколько 72x72 мм Входной сигнал двойной выход цифровой


Поделиться:

Цена:7,45 $ - 8,45 $*
Стоимость в USD (на сегодня):Узнать

Количество:

Описание и отзывы

Характеристики









72x72mm TC4M PID Control Multiple Input Signal Dual Output

Digital Temperature Controller
 









Product Description




















































Product Name:


Digital Temperature Controller


Model Number:


TC4M


Control Mode:


continuous PID control / position control


Supply Voltage:


100-240VAC,50/60Hz


Power Consumption:


<10VA


Accuracy:


±0.5% FS / ±1.0% FS


Alarm Range:


Free setting of full scale



Input:



Thermocouple: K,E,J,S,R,B,N,T
RTD: Pt100,Cu50



Output:



dual output: relay / SSR



Size:


overall dimension 72*72*75mm, mounting hole 68*68mm


Operating Ambience:


Temperature 0~50℃, Humidity 30~85%RH





Specification




























Model:


eg. TC4 M - R 1 TC


Dimensions:



S: 48*48*110mm

H: 48*96*75mm

M: 72*72*75mm

L: 96*96*75mm



Output:


R: relay contact output
Q: SSR output

8: DC4-20mA



Alarm:


1: Alarm 1 output, 2: Alarm 2 output


Input:



TC: thermocouple

Rt: thermal resistance






Product Show











Dimensions














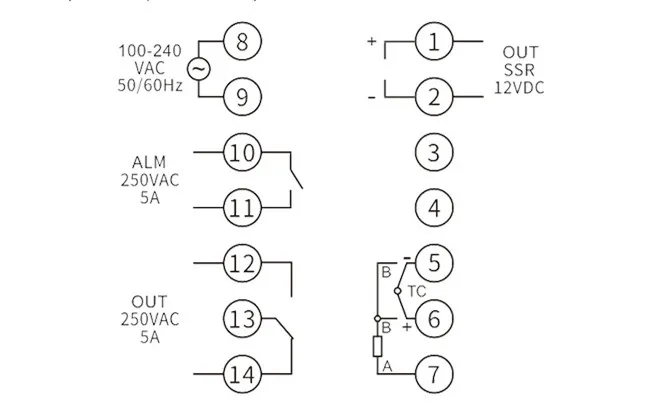
Wiring Diagram







The temperature controller has dual outputs (relay/SSR),but two modes cannot be used at the same time.





























 







 








Похожие товары

Новинки - Розница

0.0083 s.