Промышленное использование низкого напряжения HRC 500 В 690 gG aR gR 6A 10A 16A 20A 25A 40A 63A 80A 100A 125A 160A


Поделиться:

Цена:*
Стоимость в USD (на сегодня):Узнать

Количество:

Описание и отзывы

Характеристики



Product Description


1--LV-HV_01.jpg1--LV-HV_02.jpg


2-LV-HV_01.jpg












3_02.jpg


 










































































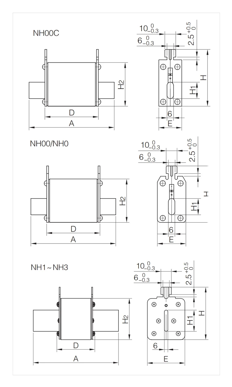
Model/SizeRated Voltage(V)Rated current Specifications(A)

 


Overall dimension
ADEHH1H2
NH00C500/690

4,6,10,20,25,32,40,50,63,80,100


785221531535
NH00 500/690(4-100),125,160 785330 6015  48
NH1 500/69080,100,125,160,200,224,250  1357248 652048
NH2 500/690125,160,200,224,250,300,315,355,4001507258 722558
NH3 500/690315,355,400,425,500,630   15074678232 71




2-LV-HV_03 - .jpg


2-LV-HV_04.jpg





Certifications


_05.jpg





Company Profile


_06.jpg







Wrok Shop


_07.jpg 





Exhibition


_08.jpg 





Packing And Shipping


_09.jpg_10.jpg






 


 


 


 


 


 


 


 


 


 



 




Похожие товары

Новинки - Розница

0.0275 s.