Чаки оригинальный 300 мм токарный патрон b-212 с открытым центром гидравлический детали ЧПУ токарного станка 1


Поделиться:

Цена:269 259,46 ₽ - 284 164,32 ₽*
Стоимость в USD (на сегодня):Узнать

Количество:

Описание и отзывы

Характеристики


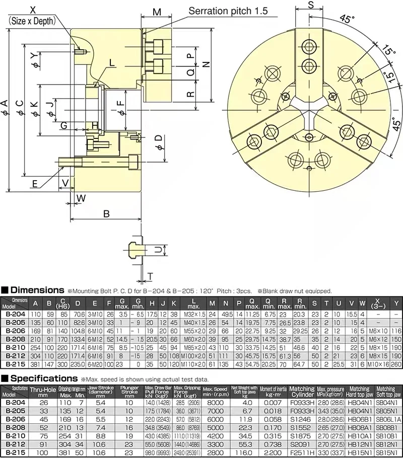
Japanese Kitagawa brand 12-inch three jaw hollow hydraulic chuck B-212 power 3 jaw chuck


 


Chuck drawing


 11



Image display


1111111111111111111


Explain


Japanese genuine Kitagawa brand three jaw hollow 6-inch hydraulic chuck
We also sell other sizes, ranging from 5 inches to 40 inches.
We also sell other well-known power chuck brands, such as Samchully, SEOAM, AUTO GRIP, STRONG, and Chandox



Other product introductions


IMG_2217(20240525-173319).PNG


Our factory produces standard size hydraulic chucks (the size standards are the same as international well-known brands such as Kitagawa in Japan)12324.jpg44.jpg20240615220310.png


Pneumatic hollow collet chuck (can be additionally equipped with spindle box, motor bracket, servo motor, transmission device, pulley, etc.)IMG_2332(20240526-181513).PNGIMG_2333(20240526-181521).PNG


Our 3-jaw manual self centering chuck has an outer diameter size ranging from 80-1250mm (the picture is produced by us as a OEM for a well-known Chinese brand)4.jpgAll chucks of the SAN OU brand that we collaborate on selling (with absolute price advantage)IMG_1815(20240513-233517).JPGIMG_1816(20240513-233517).JPG


Our large-sized four jaw independently adjustable chuck (400mm-2000mm, we can produce both)


_201912201615482.jpg


This manual 3-jaw self centering chuck is an OEM product for our customers in other countries


QQ20230810110840.png


We produce electromagnetic chucks (manual wrench controls electromagnetic chucks, electric controller controls electric permanent magnet chucks, grinding machine electromagnetic chucks, vacuum suction cups, and vacuum pumps)11111.jpg


 


We sell Japanese Kitagawa brand chuck (with price advantage)


112.jpg


We sell Korean Samchully brand chuck (with price advantage)


1111.jpg


We sell Korean SEOAM brand chuck (with price advantage)


20240617011032.jpg


Our factory produces large hydraulic power chucks with 2 jaws, 3 jaws, 4 jaws, 5 jaws, 6 jaws, and 8 jaws.
The standard sizes produced range from 5 inches to 12 inches
The standard large-size specifications for production are 18 inches, 21 inches, 24 inches, 32 inches, 40 inches, 50 inches, and 60 inches
The form of power chuck is divided into solid and hollow (through hole)
Compared to the Samchully and Kitagawa brands, the quality of large power chucks is not inferior to theirs, and we have a significant price advantage.


_01_02_03_04


 


 



Новинки - Розница

0.0072 s.