Горячая Распродажа промышленная машина для производства сыра из нержавеющей стали


Поделиться:

Цена:2 588,00 $ - 2 688,00 $*
Стоимость в USD (на сегодня):Узнать

Количество:

Описание и отзывы

Характеристики


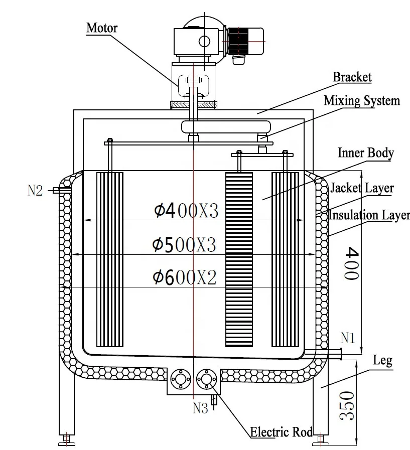
01 (1)


This cheese vat consist of a triple-walled, insulated, oblong or round stainless steel vat with an overhead stirring machine.

The stirring mechanism of oblong vat is driven by two motors: one for longitudinal move and one for the rotating motion.

The control panel is fitted into the superstructure. By means of the ‘touch screen‘ on this panel various programs for stirring, cutting and tipping can be executed.

 All programs are automatically controlled by a PLC that operates the various drive components. It is controlled the accurtelt temperature of mlik in vat by an electrical thermostat system to operate  the steam valve heating  water.

 The  cheese vat is fitted with a fully automatic process controller. This controller allows programs for a range of processes for the production of types of cheeses to be stored and executed. This helps ensure uniform cheese quality.


 


The machine is composed of vat main body, cutting knife, agitator blade, etc. Through manual control, milk filling, ingredient mixing, milk coagulation, whey cutting, heating and cooling are realized. It is suitable for curd processing most cheese.


 Vat with a heating sandwich can achieve pasteurization and cooling of milk, and can quickly cool milk by connecting cooling water.


 At the same time, vat is equipped with a temperature control box, which can accurately control the temperature. Under certain temperature conditions, milk is fermented in vat, or milk curds by adding chymosin.


 The machine is equipped with a curdling knife to cut curdling into small pieces of uniform size, so that whey can be discharged easily. The equipment is equipped with manual hydraulic support, which can support one side to facilitate whey evacuation. After the whey is discharged, the whey in the curd tank is emptied and cleaned, so that cheese can be produced again.




01 (2)


32.jpg















































01 (4)


01 (5)


01 (6)


Q. Are you manufacturer or trading company?
A. We are professional retort manufacturer for more than seven years.

Q. How long is the product warranty period?
A. It is twelve months.

Q. If the machine goes wrong, how should you resolve?
A. Show you a video,If it does not work, we will depatch our engineers to settle the problems overseas.

Q. What’s the Payment Term?
A. According to different countries/areas, we have different payment terms..

Q. What’s the lead time after placing order ?
A. Usually it takes about 25~30 days after we received your deposit. If large scale machines, we will try to deliver it within 2 months.

Q. What’s the delivery term?
A. FOB, CFR & CIF optional; It depends on client’s requirements;

Q. How much is MOQ of your machine?
A. 1 set.


 



Contact Us


 




Abby 640x360



Новинки - Розница

0.0203 s.