Высокое качество Мини постоянного тока 24В dc Кондиционер куб ФТ/мин для индустрии Алюминиевый Электрический безщеточный машинный вентилятор насос центрифужный


Поделиться:

Цена:31,90 $ - 49,00 $*
Стоимость в USD (на сегодня):Узнать

Количество:

Описание и отзывы

Характеристики



Product Description


High quality mini 24 volt dc air conditioning cfm industry aluminium electric brushless car fan pump centrifugal blower
Suitable for air cushion machine/fuel cell/medical equipment and inflatables.




Specification


Part name
High quality mini 24 volt dc air aluminium electric brushless car fan
Part No
WS9290-24-220-X200
Rated votlage
24VDC
Max power consumption
180W
Life time(MTTF)
2,0000hours
Unit weight
0.5kgs
Bearing
NMB ball bearing
Unit size
D92*L90 mm
Insulation class
Class F
Driver board
External
Speed control
PWM or 0~5V





P-Q Curve for 24v dc fan brushless blower

WS9290-24-220-X200 blower fan airflow against air pressure performance curve as
left chart






Wiring diagram for driver controller.


We can supply standard drivers for this blower. If you want to design your own driver you can refer to the wiring diagram on the left picture.


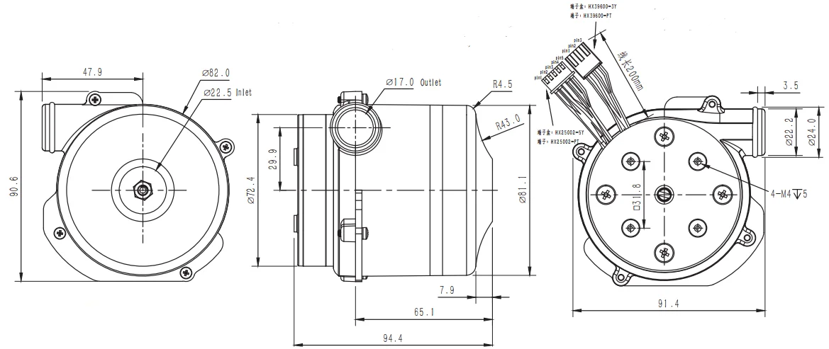
Drawing
Product drawing as below:




Packing & Delivery




To better ensure the safety of your goods, professional, environmentally friendly, convenient and efficient packaging services will be provided.


Company Profile




Company Introduction

Ningbo Wonsmart Motor Fan Company is a professional manufacturer with a focus on small sized brushless
dc motors and brushless dc blowers. Our blower’s max airflow reaches 200 cubic meter per hour and a max
pressure of 30 kpa. With our high quality parts and precise manufacturing process, WONSMART motors and
blowers can serve more than 20,000 hours.

Founded in 2009, Wonsmart has had a rapid growth rate of 30 % yearly and our products are widely used in
Air cushion machines,Environment condition analyzers, Medical and other revolutionary Industrial equipment.

Wonsmart production and inspection equipment include auto winding machines, balancing machines, and
CNC machines. We also have airflow and pressure testing equipment and motor performance testing equipment.
All products are 100% inspected before delivery to guarantee all the products arrive at the customers with
satisfied quality.

Wonsmart is certificated by I S O 9 0 0 1and I S O 1 3 4 8 5.we have paid attention to product quality and
customer service. Our professional and spry team hold the same goal of being one of the best brushless motor
and blower supplier.

With ETL,CE, ROHS, REACH certification, 60% of Wonsmart’s products are exported to North America, EU, Japan
and Korea. Customers from these countries are very satisfied with Wonsmart’s stable quality, fast delivery and reasonable price.

We also accept ODM and OEM projects and customized specification.

Please feel free to contact us.










Our Services & Strength
We also accept ODM and OEM projects and customized specification.


FAQ


Are you factory or trading company?
We are factory with 4,000 square meters and we have been focus on high pressure
BLDC blowers for more than 10 years

Can you design a new blower fan if we give you target performance?
Yes, we offer ODM service for both blower fan and controller board

Can we connect this centrifugal air blower directly onto power source?
This blower fan is with BLDC motor inside and it needs a controller board to run.

What kind of power source shall we use to drive this blower fan?
Generally, our customers use 24vdc switching power supply or Li-on battery.

Do you also sell controller board for this blower fan?
Yes, we can supply adapted controller board for this blower fan.

How to change impeller speed if we use your controller board?
You can use 0~5v or PWM to change speed. Our standard controller board is
also with a potentiometer to change speed conveniently.

What is the MTTF of this centrifugal air blower?
MTTF of this centrifugal air blower is 20,000+ hours under 25 C degree.

Can we use this centrifugal air blower to suct water?
This blower fan can not be used to suck water. If you need to suck water, you can
ask us to choose proper item for this special working condition.

Can we use this centrifugal air blower to suck dust directly?
This blower fan can not be used to suck dust directly.If you need to suck dust, you
can ask us to choose proper item for this special working condition.

What can do if the working condition is dirty?
A filter is strongly recommended to assemble onto the the inlet of the blower fan

How to decrease the noise of the blower?
Many of our customers use foam, silicone to fill between blower fan and machine
to insulate the blower noise.



Похожие товары

Новинки - Розница

0.031 s.