Делительная головка с индексом вращения


Поделиться:

Цена:*
Стоимость в USD (на сегодня):Узнать

Количество:

Описание и отзывы

Характеристики


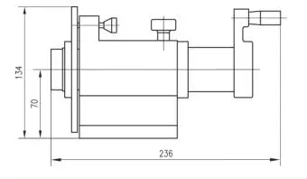
PF70/5C spin index dividing head:


 


The index is one of the important accessory units for such machine tools as drill,miller,grinder etc. With the assistance of this unit,the machine tools will be able to accomplish such operatins as index machining of various angular parts and set line drawing of parts etc.


 


 


PF70 5c drawing.jpg


 

 

 





























Model no.PF70/5C
Height of centre70mm  2-3/4"
Radial run-out of spindle outer taper0.010mm  0.0004"
Radia oun-out of center hole(measured from spindle nose 25mm/0.98")0.03mm  0.0012"
Parallelism of centre line of spindle to base surface0.02mm  0.0008"
Individual spacing dividing accuracy±4'

 


 _20210601103112.jpg 


 


 We always keep our promise and are responsible for the problems if occured after sales.Pls be assured.


 



Новинки - Розница

0.0032 s.