Домашний инвертор ups 3000w 6000w


Поделиться:

Цена:*
Стоимость в USD (на сегодня):Узнать

Количество:

Описание и отзывы

Характеристики



Basic Information

                                                                                                                                                                                                                                     

 


DTP-09  


System power: 3~24KVA


Module power: 3KVA


Dimension (W*D*H) mm: 442*420*320  442*420*445


DC voltage:48VDC110VDC220VDC


AC output voltage:220V/230V/240V


 





Overview


                                                                                                                                                                                                                                       


 DTP series modular Inverter is pure sine wave, single phase, DC-AC inverter for critical telecom and electric power equipments. The DC input could be 48VDC, 110VDC or 220VDC.


It is modular architecture, consisting of system rack and inverter modules, which could configure various power capacities by adding modules.


With N+1 redundant design, if one inverter fails, it will withdraw from the system and the inverter system keeps supply to load.





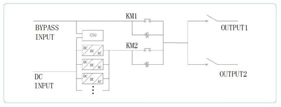
System Diagram


                                                                                                                                                                                                                                        


01.JPG





Feature


                                                                                                                                                                                                                                       



  • Monitor module and inverter module are all hot swap, with self-detection and alarm function

  • User friendly LCD+LED, accurate display of system operation statues

  • Performance index indication and display, event record for failure tracing

  • Protection functions: input/output under or over voltage, overload protection to protect load equipment

  • System transfer: fast transfer under synchronize or non-synchronize

  • Communication interface: output dry contact, RS232/485

  • DC priority or AC priority (bypass) are available. And user could choose one as priority in monitor module. 





Specification


                                                                                                                                                                                                                                        



















































































































Model



DTP11-09



DTP11-18



Max Capacity



9KVA (3 Modules Parallel )



18KVA (6 Modules Parallel )



DC Input



Rated Voltage



48VDC, 110VDC, 220VDC



Voltage Range



42V~57V, 94V~128V, 189V~256V



Input Reflected Wind Band Noise Current



10%



Input Reflected Weight Noise Current



1%



AC Output



Output Voltage



220V/ 230V/ 240V



Voltage Precision



±1%



Output Frequency



50Hz/60Hz±1%


60Hz±0.6



Power Factor



0.8



Voltage Distortion



3% (Liner Load) / 5% (Non-Liner Load)



Load Peak Factor



3.0



Overall Efficiency



90%



Load Share Precision



5%



Overload Capacity



105~125% Load 60s; 126~150% Load 10s



Transfer Time



4ms



Environment



Operating Temperature



-5~40



Relative Humidity



93% Non-Cadency



Ambient Temperature



-40~70 96% Non-Cadency



Operating Altitude



1000m, De-Rating By1 Each 200m Higher



Mechanical



Acoustic Noise: (1m)



65DB



Dimension(H× W×D)Mm



320*442*420



455*442*420



Rack Weight



23kg



25kg



Safety Compliance



EN62040-1-1:2003    EN60950-1:2001


EN61000-4-6


RS232, RS485



Environmental Compliance



ETS300 753







Application



Telecommunication station, electrical substation and environments with poor utility grid conditions.





WHY CHOOSE SICON?


                                                                                                                                                                                                                                         Corporate URL: www.sicon-emi.com  


Sicon Modular UPS


Full range modular UPS 6-3200kVA, 14 years experience, No.1 market share in China


cms2.jpg


ERMS online UPS


Rack mount, flexible combine with battery, price competitive with standalone UPS.


erms.jpg


DSM online UPS


High frequency, digital technology, IGBT, competitive with Europe brand.


DSM-2.jpg


DSP online UPS


Small volume, high power density, competitive with APC.


DSP-3.jpg


 


   Certifications    



    Patents    


 

  Sicon Customers                                                                                                                                                        Sicon Partners   

   

 Exhibition Highlights 

Sicon EX.jpg                                                        




Sicon &Sicon factory


                                                                                                                                                                                                                                        


With factory& headquater in China, subsidary in Netnerland and partners in 50 countries worldwide, Sicon is dedicated infour sectors: UPS,  uniterruptible power supply, data center facility, EV charge infrasturecure and ESS energy storage. Over 100pcs innovation patent of these products have been made by Sicon engineers. Technical leading and future driven, Sicon is able to make your business profitable.


_meitu_3.jpg


 


   Sicon factory  


.jpg


   Package  


 Package.jpg 





Похожие товары

Новинки - Розница

0.0429 s.