DM860H шаговый ЧПУ Драйвер для шагового двигателя 8a nema 34


Поделиться:

Цена:32,00 $ - 34,00 $*
Стоимость в USD (на сегодня):Узнать

Количество:

Описание и отзывы

Характеристики



dm860h step cnc stepper motor drive driver kit 8a for nema 34 motor


Product Description


Generation

DM860H is digital 2 phase stepper driver and adopts the latest 32 DSP to control. It has subdivision and current dial in the external of the driver. Users can free set according to requirements. External DSP writing advanced drive control algorithm, can guarantee the stepper motor in various speed section of precise and stable operation, among them, the built-in segmentation algorithm, can make the motor at low speed when running smoothly; The high speed torque compensation algorithm can maximize the torque of the motor at high speed. The parameter self-tuning algorithm can adapt to various motors and maximize the performance of the motor. The built-in smoothing algorithm can greatly improve the motor acceleration and deceleration performance. In short, this digital drive can meet the application of most applications and is a highly cost-effective motion control product.



Features

  • 1. The parameter self-tuning algorithm, motor adaption;
  • 2. Built-in high segmentation
  • 3. Small vibration, low heat, smooth running

  • 4. Middlehigh speed torque compensation
  • 5. Current vector control, high current efficiency
  • 6. Built-in acceleration and deceleration control to improve the smoothness of the start-stop
  • 7. The single and double pulse control mode can be selected
  • 8. Motor running position memory
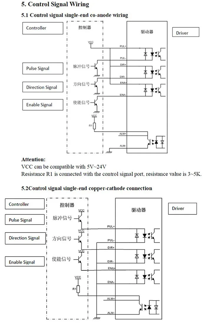
  • 9. The input signal difference optical decoupling is compatible with 5V~24V
  • 10. User customizable segmentation
  • 11. The current ,subdivision dialing is convenient
  • 12. Overcurrent protection, overvoltage protection, undervoltage protection;
  • 13. The green light means to run, the red light means to protect or unmachine






Technical specifications
Input Voltage
DC30V-100V AC24V-70V
Constant Current
7.5A 
Max Pulse Frequency
200K
Default Communication Rate
57.6Kbps
Protection
1. Overcurrent action value Peak12A±10%

2. Overvoltage action value 130VDC

3.  Undervoltage action value 20VDC


Outside Size(mm)
150×97.5×53
Weight
about 580g
Using Environment
Occasion
Avoid dust, oil mist and corrosive gases as much as possible
Working Temperature
0~70℃
Storage Temperature
-20℃~+80℃










Installation size






Our Company




Certifications




Packing and Delivery





Похожие товары

Новинки - Розница

0.0427 s.