Рекуперативное торможение 96 в 13 кВт контроллер двигателя переменного тока для набора преобразования


Поделиться:

Цена:34 107,42 ₽ - 56 399,85 ₽*
Стоимость в USD (на сегодня):Узнать

Количество:

Описание и отзывы

Характеристики

Рекуперативного торможения 96В 13KW моторный накопитель переменного тока контроллер для электрического транспортного средства conversion kit

 

 

Описание продукта:

Обзор продукта

SDJ-7.5KW низкий мотор контроллер электрического транспортного средства принимает третьего поколения приводная технология, а также является первой помощи класс Электродвигатель переменного тока алгоритм в отечественных и зарубежных. Передовой цифровойСигналПроцессор импортируется из Германии, имеет очень важное значение, так что операционный сигналы по созданию электрических транспортных средств будет рассматриваться с быстрее. Как самый лучший выбор для контроллер асинхронного двигателя, регулятор крутящего момента будетТочнаяВШирокий диапазон скоростей.

К лучшему construCTЛитий-ионныйДизайн, energYКонсумPДства будет низкая. И сделано МСМ алюминиевый потолок доска, тепло, не будут приняты легко. По сравнению сОбычныйКонтроллер двигателя, влияние защиты улучшена посредством болееЭто3 раза.

     

Спецификация продукта

 

 

Подробные сведения о основные функции

1. Отличный максимальный угол подъемаИ эффективный Мотор Управления способность.
2.Высокая точность: ПовышениеМощность эффективность использования батареи хранения энергии.
3.Сильная способность анти-помех:Вождения будетТихий, плавное и быстрое.
4.Идеальная защитаSВ следующее условие: В настоящее времяС ограничением потока воды, Перегрузки по току, защита от короткого замыкания, ультра-высокой температуры, мотор остановки, защитное устройство от перенапряжения, пониженного напряжения и многое другое.

Затем отказ в рабочем состоянии не смогут и безопасное вождение будет обеспечено.

5.Регенеративный тормоз: В торможенииЗамедление или скольжения горныеСтатус, Генерируемая энергияОбратный может заряжать мобильный телефонДля поддержания & Продлить срок службы батареи и увеличить продолжение пройденное расстояние в милях.

6.Функция отключения звука:Значительно уменьшить с функциями снижения уровня шума и вибрации во время на начальном этапе процесса ВАсинхронный двигатель

7.Хорошая совместимость: Он совместим со всеми основными моторы с питанием от источника переменного тока.

8.Низкое потребление энергии:По сравнению с другими брендами контроллерSЯTСохранитеS10% до 15% электроэнергииВ потребление энергии

9.ДругиеПреимущества:Небольшой размер, небольшой вес, высокая мощность, приятным внешним видом, быстрая скорость реакции, эффективная и надежная производительность и низкое энергопотреблениеС обратной связью энергии.

 

Применение:

Все продукты широко используются в различных электрических транспортных средств, например, asautomobiles, гольф-кары, вилочный погрузчик,Гидравлический насос, электрический лодочный и т. д.

Кроме того, мы также разработали специальное мотор контроллер укладки вильчатого подъемника. Если вас это интересует, пожалуйста, свяжитесь с нами и получите информацию о том, вы узнаете больше информации.

 

regenerative braking 96V 13KW AC motor controller for electric vehicle conversion kit

 

 

Настройка ваши Параметры с помощью программного обеспечения Интерфейс

Здесь вы можете легко очистить и регулировки параметры с помощью интерфейса программного обеспечения. Какой-либо результат тестирования также будет показано на интерфейс с помощью программного обеспечения.

regenerative braking 96V 13KW AC motor controller for electric vehicle conversion kit

 

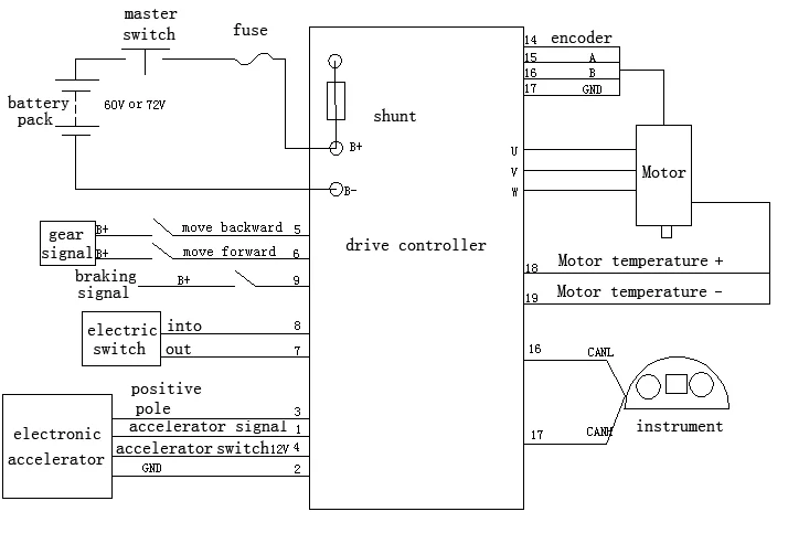
Электрическое транспортное средство система привода переменного блок-схема

 

regenerative braking 96V 13KW AC motor controller for electric vehicle conversion kit

regenerative braking 96V 13KW AC motor controller for electric vehicle conversion kit

 

Другой дизайн проводки портов для вашей справки

 

 

Пожалуйста, свяжитесь с нами и получите информацию о том, проверьте проводку порт, мы обсудим это еще и дизайн подходящий метод подключения к динамической системы друг с другом.

 

Упаковка & Доставка
Размер продукта:

Размер указан исключительно в справочных целях. Мы будем развивать каких-либо новый продукт структуры для удовлетворения рыночного &Он может быть оговорена здесь.

regenerative braking 96V 13KW AC motor controller for electric vehicle conversion kit

 

 Упаковка и доставка:

 Обычная упаковка-картонная коробка.Он можетБыть выбрано с деревянная упаковка в том случае, если вам нужно. Если в страны Европы, будет быть указаны деревянный ящик.Если контейнер слишком высока, мы пользуемся пересылкой через авиапочту Китая (полиэтиленовая пленка для упаковки или упаковать его зависит от тжелания клиента укажет свои пожелания.

regenerative braking 96V 13KW AC motor controller for electric vehicle conversion kit

Детали упаковки:1Шт в коробке
Детали доставки:10-15 дней
Способ доставки:SОбразцы будут доставлены экспрессом и Кол-во: товары будут отправлены по воздуху или морю.

 

Обеспечивается за счет качества:

Перед отправкой, чтобы наши клиенты, все продукцией, мы будем рады предложить Вам обеспечена с хорошего качества.
Для получения прямого ощущения, вы можете увидеть некоторые испытательных оборудований ниже.В том случае, если вас интересует, пожалуйста, поставьте некоторое время, чтобы свяжитесь с нами для того, чтобы какое-либо мнение с нашего завода.

regenerative braking 96V 13KW AC motor controller for electric vehicle conversion kit

 

 Другие аксессуары для управляющее устройство:

 

 

 

Посвятил вилочный погрузчик Контроллер:

ВСМ контроллер разработан для вилочного погрузчика привод & Разработанный спецификации EN1175, EN12895 и UL583, И с основными немецкий DSP и новейшие технологии MOSFET. Он принимает подключению CAN-шины или беспроводную связь bluetooth, удобный с программированием, параметр меняется и мониторинг данных.

 

Электрический приводной двигатель:

Основанный на зрелые технологии и длительный срок службы, все моторы будет не требует технического обслуживания. По сравнению с двигателем постоянного тока, двигатель переменного тока имеет больше преимуществ, как, например, шире и большой вращающий момент.

 

Преобразователь постоянного тока:

ЯSolated dc-dc источники питанияКонвертерСпециально разработан для питания Транспортное средствоСветодиодные лампыИАудиоВЭлектрический автомобиль, Электрический вилочный погрузчик, электрический гольф-картТранспортное средствоЭлектрический touringТранспортное средствоИ других электрических систем.Из-за bUilt-в релеЭтоИзбегайтеSДуги в тех случаях, когдаТранспортное средствоВключен или выключенС ключом.

 

Другие аксессуары, как, например,Литий-ионный аккумулятор,Педаль акселератора, зарядное устройство и так далее, так же могут быть поставлены по нашей вине.

regenerative braking 96V 13KW AC motor controller for electric vehicle conversion kit

regenerative braking 96V 13KW AC motor controller for electric vehicle conversion kit

regenerative braking 96V 13KW AC motor controller for electric vehicle conversion kit


Похожие товары

Новинки - Розница

0.0666 s.