Поделиться:
Технические характеристики:
LD4BСерия Вертикальная NC турель принимает принцип работы червячного колеса и червя для вождения, 3 шт. торцевое зубчатое соединение в качестве тонкого механизма индексации, большой винт для зажима, отправка сигнала с блоком холла. Он имеет стабильное вращение, индексирование без подъема диска держателя инструмента. Это так же популярный продукт для токарного станка NC.
1. Подтвердите различные параметры при выборе моделей башни. Выберите количество станций в зависимости от количества процедуры и сложности.
2. Выберите Технические характеристики инструмента в соответствии с моделью станка и режущей силой. Выберите передний или задний Тип револьверной головки в соответствии с направлениями резки станка.
3. После установки Расточного режущего сиденья горизонтальной башни, само-отверстие внутреннего отверстия в соответствии с размером расточной штанги и сделать соответствующую отметку. Инструмент должен быть закреплен в прежнем положении в более позднем монтаже.
4. Дистанционный инструмент, выходящий из верхней части корпуса, обычно не более 2/3 размера верхней части корпуса. Пожалуйста, обратите внимание при размещении заказа, если они превышают лимит.
5. Прикосновение вручную или другие вещи запрещено, когда турель работает, чтобы избежать травм или повреждений.
6. Если у клиентов есть какие-либо особые требования или изменения параметров, пожалуйста, предоставьте некоторые данные и свяжитесь с нашей компанией.
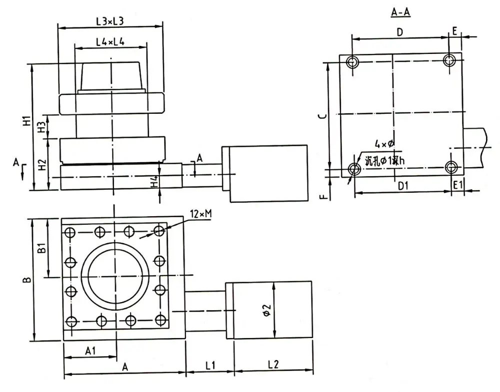
Параметры размера
Модель/тусклый | H1 | H2 | H3 | H4 | L1 | L2 | L3 | L4 | А | A1 | B | B1 |
LD4B-CK0620 | 146 | 51 | 26 | 15,5 | 60 | 100 | 100 | 72 | 114 | 50 | 114 | 50 |
LD4B-CK0625 | 152 | 51 | 30 | 17 | 78/114 | 118 | 130 | 99 | 130 | 65 | 138 | 65 |
LD4B-CK6125 | 159 | 57 | 31 | 16,5 | 78/114 | 118 | 136 | 104 | 136 | 68 | 148 | 68 |
LD4B-CK6132 | 187 | 70 | 40 | 20 | 76 | 128 | 158 | 114 | 161 | 79 | 171 | 79 |
LD4B-CK6140 | 200 | 81 | 38 | 19,5 | 76 | 128 | 166 | 116 | 192 | 83 | 192 | 93 |
LD4B-CK6150 | 240 | 121 | 38 | 37 | 76 | 128 | 166 | 116 | 192 | 83 | 192 | 93 |
LD4B-CK6163 | 234 | 120 | 42 | 31 | 110 | 132 | 200 | 120 | 200 | 100 | 200 | 100 |
LD4B-CK6172 | 255 | 120 | 50 | 30 | 103 | 140 | 240 | 160 | 240 | 120 | 240 | 120 |
LD4B-CK6180 | 245 | 120 | 55 | 25 | 103 | 140 | 280 | 200 | 280 | 140 | 280 | 140 |
LD4B-CK61100 | 285 | 145 | 65 | 30 | 103 | 140 | 300 | 192 | 300 | 150 | 300 | 150 |
Модель/тусклый | C | D | D1 | E | E1 | F | & Phi; | & Phi (1 шт.) | & Phi; 2 | H | М |
LD4B-CK0620 | 100 | 100 | 70 | 7 | 18 | 7 | & Phi; 7 | & Phi; 11 | & Phi; 78 | 6,5 | M8 |
LD4B-CK0625 | 120 | 100 | 90 | 15 | 20 | 9 | & Phi; 9 | & Phi; 14 | & Phi; 88 | 10,5 | M10 |
LD4B-CK6125 | 126 | 108 | 108 | 14 | 14 | 11 | & Phi; 11 | & Phi; 17 | & Phi; 88 | 11 | M10 |
LD4B-CK6132 | 146 | 126 | 126 | 23 | 23 | 12 | & Phi; 13 | & Phi; 19 | & Phi; 88 | 13 | M16 |
LD4B-CK6140 | 168 | 152 | 152 | 20 | 20 | 12 | & Phi; 13 | & Phi; 19 | & Phi; 88 | 13 | M16 |
LD4B-CK6150 | 168 | 152 | 152 | 20 | 20 | 12 | & Phi; 13 | & Phi; 19 | & Phi; 88 | 13 | M16 |
LD4B-CK6163 | 177 | 150 | 130 | 25 | 35 | 11,5 | & Phi; 13 | & Phi; 19 | & Phi; 98 | 13 | M16 |
LD4B-CK6172 | 210 | 210 | 160 | 15 | 40 | 15 | & Phi; 18 | & Phi; 27 | & Phi; 98 | 17 | M16 |
LD4B-CK6180 | 240 | 240 | 240 | 20 | 20 | 20 | & Phi; 18 | & Phi; 27 | & Phi; 98 | 17 | M16 |
LD4B-CK61100 | 260 | 260 | 260 | 20 | 20 | 20 | & Phi; 18 | & Phi; 27 | & Phi; 98 | 17 | M16 |
Параметры производительности
Модель для передачи данных | Центр Высота (мм) | Мотор Мощность | Макс. Касательный Крутящий момент (Н · м) | Точность повторяемости Точность (") | Время изменения Инструмент и замок | ||
90 ° | 180 ° | 270 ° | |||||
LD4B-CK0620 | 51 | 50 | 200 | ± 2 | 1,5 | 2 | 2,5 |
LD4B-CK0625 | 51 | 90 | 300 | ± 2 | 1,7 | 2,2 | 2,7 |
LD4B-CK6125 | 57 | 90 | 400 | ± 2 | 1,7 | 2,5 | 2,7 |
LD4B-CK6132 | 70 | 120 | 500 | ± 2 | 2 | 2,5 | 3 |
LD4B-CK6140 | 81 | 120 | 600 | ± 2 | 2 | 2,5 | 3 |
LD4B-CK6150 | 121 | 120 | 600 | ± 2 | 2,2 | 2,7 | 3,3 |
LD4B-CK6163 | 120 | 180 | 800 | ± 2 | 2,5 | 3,2 | 3,9 |
LD4B-CK6172 | 120 | 250 | 1200 | ± 2 | 3,7 | 4,7 | 5,7 |
LD4B-CK6180 | 120 | 250 | 1500 | ± 2 | 4,1 | 5,2 | 6,3 |
LD4B-CK61100 | 145 | 250 | 1900 | ± 2 | 4,5 | 5,6 | 6,8 |
Токарный патрон chuak токарный патрон Токарный патрон