Револьверный Электродвигатель с прямым приводом серии


Поделиться:

Цена:363 423,45 ₽*
Стоимость в USD (на сегодня):Узнать

Количество:

Описание и отзывы

Характеристики

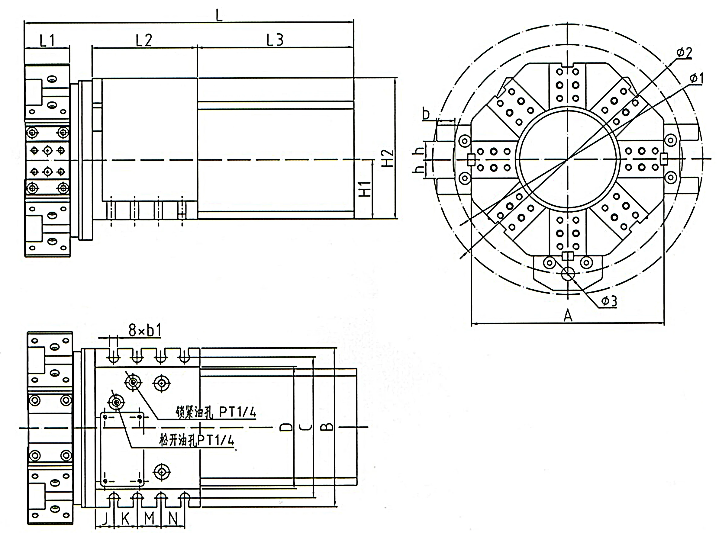
HAK37 серии с прямым приводом двигателя NC башни

Описание продукта:

HAK37.jpg

HAK37.jpg

Технические характеристики:

HAK37 серии с прямым приводом двигателя NC башни мощности, чтобы повернуть с прямым приводом двигателя. Это индекс позиции с точным из трех частей уход за кожей лица, Зубчатая Муфта, зажима/Дисковый держатель инструмента с гидравлической силой. Он отличается высокой жесткостью, мгновенная реакция, высокая точность контроля, плавный ход от низкой скорости к высокой скорости, умная двунаправленная индексации и позиционирования в кратчайшего пути, многофункциональный инструмент, встроенное охлаждение. Это лучший выбор для высококлассного токарного станка с ЧПУ.

1. Подтвердите различные параметры при выборе моделей башни. Выберите количество станций в зависимости от количества процедуры и сложности.

2. Выберите спецификации инструмента в соответствии с моделью станка и силой резания. Выберите передний или задний Тип револьвера инструмента в соответствии с направлениями резания станка.

3. После установки Расточного резца сиденья горизонтальной башни, само-отверстие в соответствии с размером расточной планки и сделать соответствующую отметку. Инструмент должен быть зафиксирован в прежнем положении в более позднем монтаже.

4. Расстояние инструмент достижения из верхней части корпуса расстояние составляет, как правило, не превышает 2/3 верхний корпус размера. Пожалуйста, обратите внимание при размещении заказа, если больше лимита.

5. Прикосновение вручную или другими вещами запрещено, когда башня работает, чтобы избежать травм или повреждений.

6. В том случае, если клиенты имеют какие-либо особые требования или изменения параметров, пожалуйста, сообщите нам какой-то данные и свяжитесь с нашей компанией.

Параметры производительности

Модель для передачи данных

Центр

Высота (мм)

Паяльная станция

Номер

Макс. Тангенциальное

Крутящий момент (N · m)

Гидравлический
Давление (МПа)

Точность повторяемости

Точность (")

Время изменения

Инструмент и замок (ы)

30 ° 45 ° 180 °
HAK37063 63 8 12 750 3 ~ 3,5 ± 1,6 0,21 0,21 0,51
HAK37080 80 8 12 1600 3 ~ 4 ± 1,6 0,23 0,22 0,52
HAK37100 100 8 12 3500 3 ~ 4,5 ± 1,6 0,31 0,3 0,66





Сертификаты

4.jpg

5.jpg

Оборудование

cnc chuck 11.jpg

4.jpg

Токарный патрон токарный патный патрон Токарный патрон токарный патный патрон


Новинки - Розница

0.016 s.