Горячая распродажа! Модем LTE 4G wi-fi модем внешняя антенна со слотом для Sim карты USB MT25-AFX северная


Поделиться:

Цена:29,00 $ - 31,00 $*
Стоимость в USD (на сегодня):Узнать

Количество:

Описание и отзывы

Характеристики


MT25.pngMT25 4G Modem


 


LTE USB Dongle 


 


I. Overview


 


      MT25 MiniPCIe to USB Dongle adopt Quectel EC25 Mini PCIe,supports Qualcomm® IZat™ location technology Gen8C Lite (GPS, GLONASS, BeiDou, Galileo and QZSS). The integrated GNSS greatly simplifies product design, and provides quicker, more accurate and more dependable positioning. MT25 MiniPCIe to USB Dongle is a series of LTE category 4 module
adopting standard PCI Express® Mini Card form factor (Mini PCIe). It is optimized specially for M2M and IoT applicationsand delivers 150Mbps downlink and 50Mbps uplink data rates. MT25-EUX Mini PCIe, MT25-AFX Mini PCIe, MT25-AUX Mini PCIe ,MT25-J Mini PCIe and MT25-G Mini PCIe. This makes it backward-compatible with existing EDGE and GSM/GPRS networks, ensuring that it can be connected even in remote areas devoid of 4G or 3G coverage.


 


II.Key Benefits


1.Support USB/UART communication interface


2.Worldwide LTE, UMTS/HSPA+ and GSM/GPRS/EDGE coverage
3.Multi-constellation GNSS receiver available for applications requiring fast and accurate fixes in any environment
4.LTE Cat 4 Max 150Mbps(DL),Max 50Mbps(UL)
5.USB 2.0 High Speed Interface
6.Embedded Abundant Protocols
7.USB Serial Driver:Windows 7/8/8.1/10, Linux 2.6/3.x/4.1~4.15, Android 4.x/5.x/6.x/7.x/8.x/9.x


 


III.Applications
1.Industrial control field
2.Industrial router
3.Medical instruments
4.Industria IoT
5.Rugged tablet PC
6.Self-service equipment
7.Video surveillance
8.Raspberrypi
9.Vehicle interconnection


 


IV.Parameter













































Product Introduction MT25 MiniPCIe to USB Dongle
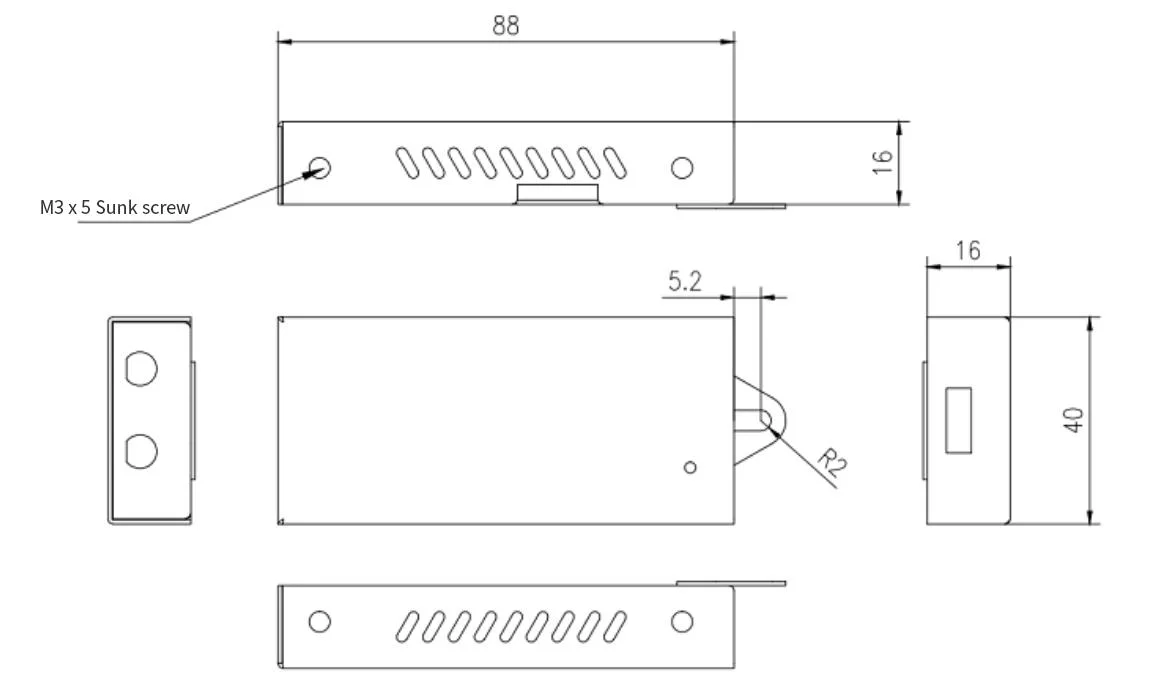
Dimensions88 x 16x 40(mm)
ModuleQuectel EC25 LTE Cat 4 Mini PCIe
Antenna1×4G Main antenna,1×4G Auxiliary antenna
Sim card slotSIM card
Temperature Range -40°C to 80°C
Rate Max 150Mbps (DL)/ Max 50Mbps (UL)
Host InterfaceUSB 2.0
MT25-AFX Variant for North America FirstNetLTE FDD: B2/B4/B5/B12/B13/B14/B66/B71
WCDMA: B2/B4/B5
Data Transmission 

LTE
LTE FDD: Max 150Mbps (DL)/ Max 50Mbps (UL)
LTE TDD: Max 130Mbps (DL)/ Max 30Mbps (UL)


 


UMTS
DC-HSDPA: Max 42Mbps (DL) HSUPA: Max 5.76Mbps (UL)
WCDMA: Max 384Kbps (DL)/ Max 384Kbps (UL)

GSM
EDGE: Max 296Kbps (DL)/ Max 236.8Kbps (UL)
GPRS: Max 107Kbps (DL)/ Max 85.6Kbps (UL)



 


MT25.pngMT25-1.png


 


MT25-4.png


 


MT25-5.png


 


V.For other MT25 4G Modem





















MT25-AFX

North America


(LTE FDD: B2/B4/B5/B12/B13/B14/B66/B71)


MT25-AUX

Australia/New Zealand/Latin America


(LTE FDD: B1/B2/B3/B4/B5/B7/B8/B28)


MT25-J

Japan


(LTE FDD: B1/B3/B8/B18/B19/B26)


MT25-EUX

EMEA/Korea/Thailand/India


(LTE FDD: B1/B3/B7/B8/B20/B28A )



 



Introduction


.jpg 





Новинки - Розница

0.0139 s.