Купить заводской высококачественный двойной балочный Электрический мостовой подъемный


Поделиться:

Цена:2 260 137,00 ₽ - 15 067 580,00 ₽*
Стоимость в USD (на сегодня):Узнать

Количество:

Описание и отзывы

Характеристики

Описание продукта:

Double Girder Overhead Crane Mechanical Workshop Equipment

Высокое Качество Двухбалочный Электрический мостовой подъемный кран

1. Рабочего классаA5 ~ A8Для более тяжелой работы;

2. СкоростьЕдиная скоростьИли сПреобразователь частотыРегулировка скорости;

3. Марка двигателяКитайский бренд;

4. Контроль:Кабины управления,Пульт дистанционного управленияИПодвеска управление;

5. Основные электрические части:ChintИлиШнайдер;

6. Класс защиты:IP44, IP54 или IP55

Double Girder Overhead Crane Mechanical Workshop Equipment

IMG_20150423_171343

IMG_7284_resize

IMG_7266_resize

Описание продукта:


QD модель двухбалочный мостовой кран в основном consits луч, тележка приводного механизма Краб пижамы для малыша и электрических приборов, и разделен на 2 рабочих классов A5 и A6 в соответствии с использованием частоты.

Этот кран операция завершена в водителя камеры. Двухбалочный мостовой кран так же хорошо, как и для всех видов покрытия краны
Capcaty: 5T, 10T, 16/3.2T, 20/5T, 32/5T, 50/10T, 75/20Т, 100/20T, 100/30T 125/30T 150/30T, 160/32T, 200/50T, 400/80T, 550/250; Западное обьединение (
Примечания: H0<= 250 относится к увеличивающие рост женские вагонеткой буфера.

Другой тип двухлучевой мостовой кран:
* QE тип двойной Тележки Мостовой Кран;
* Двухбалочный мостовой кран для обработки плит;
* Изолирующий двухлучевой мостовой кран;
* Магнитный двухлучевой мостовой кран;
* Магнитный Подвесной балочный мостовой кран;


Технические характеристики:

Предмет

Емкость

Срок службы

Работая обязанности

Высота

-1 шт.

QD мостового крана

5 ~ 560/250T

10,5 ~ 33m

A5 ~ A6

16/18 м

2

Луч

Высокотехнологичный, кручения коробчатые балки, без сварки единое целое, тип, крепкий и красивый

3

Электрические части:

Сименса

4

Моторы

Частого запуска, заднего хода и торможения: защита от пыли и конструкции ноги/прифлянцованный тэсц/TEFC, кв. Клетка моторы со встроенным модулем защитный тормоз, класс изоляции F, IP54 защита для подъемов грузов, CT & LT движениями.

5

Тормоза

Независимый гидравлический тормоз

6

Коробка передач

Точный варочная поверхность кроя спиральная/прямозубая Шестерня & шестерен с твердостью 250 до 350 BHN из углеродистой и низколегированной стали, бесперебойную работу и долгий срок службы

7

Электрическая панель

Модульная конструкция, простота установки и обслуживания, надежная работа, предохранители меньше замыканий, воздуховод и компактные клеммы. Двигатель защиту от перегрузки для предотвращения перегрузки

8

Концевой выключатель

Предохранительный концевой переключатели для пробки будут предоставлены для того, чтобы избежать чрезмерной путешествие во всех движений

9

Живопись

Два слоя грунтовки перед сборкой и два слоя синтетической эмали после тестирования

10

Дополнительное оборудование

Беспроводной пульт дистанционного радиоуправления, окутанной DSL системы питания для кормления, электромагнитный пускатель противовзрывная защитная пленка, кабины, PLC автоматическая система управления

11

Особенности безопасности

Защита от перегрузки. Главный подъемный двигатель с тепловой защитой. Рыболовные крючки с защелкой. Резиновые буферы. Защитного заземления. Переключатель крана и переключатель конца перемещения. Аварийный выключатель можете остановить все движения когда появятся какие-либо опасные случились. Подсборки характеристика тестируются перед сборкой. Все краны должны быть предварительно собран и протестирован перед отправкой и предлагаем аттестацию теста.

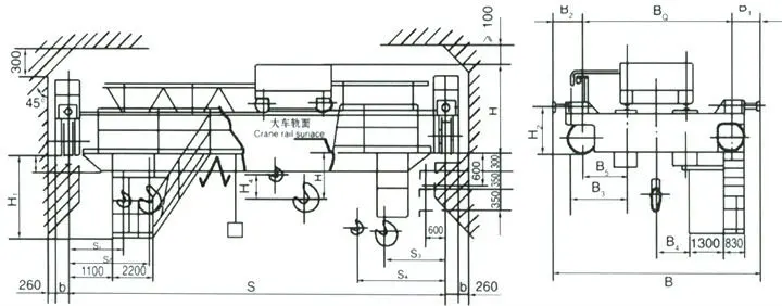
Рисунок:

Double Girder Overhead Crane Mechanical Workshop Equipment


Основные продукты

China Famous Crane Manufacturer LX Single girder 10 ton Suspension Crane

Henan Mine Cranes соответствует заводу, цеху, порту, горной промышленности, утилизации отходов, разбросанным товарам, нефтехимической, аэрокосмической, военной и других отраслях промышленности универсального мостового крана, мостового крана, eot crane, дверной кран, универсальный козловой кран, резиновая шина и рельсовый кран, контейнерный козловой кран с четырьмя звеньями типа портального крана, Quayside контейнерный кран, кран, кран крюк, шахтный кран, козловой кран, судовой погрузчик, захват ковша корабля разгрузчик, укладчик ответственности, земснаряд, мобильные платформы и другие типы гидравлических крановых технических требований.

China Famous Crane Manufacturer LX Single girder 10 ton Suspension Crane

Преимущества

China Famous Crane Manufacturer LX Single girder 10 ton Suspension Crane

2700-plus-member factory занимает более 680000 квадратных метров и имеет в общей сложности 660 миллионов юаней. 1200-плюс оборудование позволяют компании самостоятельно проводить размещения заказа на сумму более 20 технических потоков, в том числе токарная обработка, фрезерование, планирование и шлифовальный, 180-плюс промежуточный и senor технический персонал несут ответственность за R & D и производство всех продуктов. Продукты прошли сертификацию CE SGS TUV BV и CU-TR, а фабрика прошла международную сертификацию ISO9001-2008, IS014001:1996 сертификацию качества окружающей среды и ISO28001-2001, здоровья и безопасности. Наша компания имеет идеальную систему контроля качества, строгую и комплексную систему управления, сильные производственные возможности и передовые меры тестирования, гарантируя высокое качество, производительность, конкурентоспособность и долю рынка.

China Famous Crane Manufacturer LX Single girder 10 ton Suspension Crane

Доставка и оплата

China Famous Crane Manufacturer LX Single girder 10 ton Suspension Crane

Восторженные отзывы

China Famous Crane Manufacturer LX Single girder 10 ton Suspension Crane

«Шахтный кран Хэнань является поставщиком, достойным сотрудничества!»

О, мы взломаем себя?

Нет! Это комментарии клиентов.

China Famous Crane Manufacturer LX Single girder 10 ton Suspension Crane

Вопросы и ответы

China Famous Crane Manufacturer LX Single girder 10 ton Suspension Crane

Пожалуйста, свяжитесь с нами

Просто отправьте свой запрос в текстовом поле ниже!


Похожие товары

Новинки - Розница

0.0271 s.