Поставка из Китая 2 фазы (Национальная ассоциация владельцев электротехнических 34 5Nm замкнутый контур гибридный шаговый привод


Поделиться:

Цена:5 054,25 ₽*
Стоимость в USD (на сегодня):Узнать

Количество:

Описание и отзывы

Характеристики

 

Описание продукта:

 

 Nema34 5Nm закрытый цикл шаговый двигатель с 80 V 6.5A драйвер

 

 

paste-pic-dp_uuid_194np

 

Модель

Угол поворота

°

Высокий крутящий момент

Метрический номер

В настоящее время

А

Стабилизатор напряжения

V

Сопротивление

Ω

Индуктивность

MH

Длина мотора

Мм

Увеличение

Кодировщик

 

Вал

Длина

Мм

 

Вал DIA

Мм

Вес

Кг

86EBP111ALC1,85624-1100,422,4105

1000PPR

34144
86EBP147ALC1,88,5624-1100,524,16143

1000PPR

34144,5
86EBP159ALC1,810624-1100,77,3154

1000PPR

34145,5
86EBP181ALC1,812624-1100,697,2176

1000PPR

34146,5
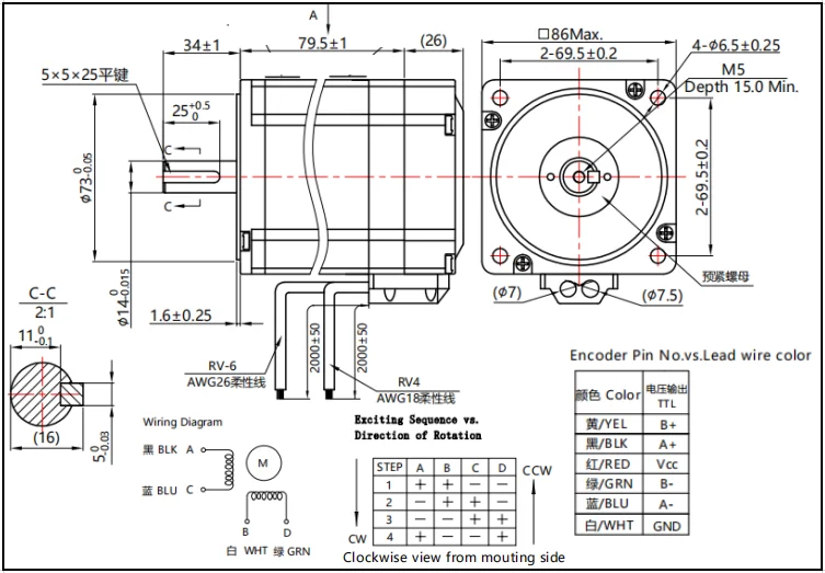
Размер

 Проводка:

ZDM-2HA865 wiring.jpg

 

 Драйвер Спецификация:

BRiefЯВводные данные:

 

ZDM-2HA865-это цифровой шаговый замкнутый драйвер нового поколения DSP
Используя передовую векторную технологию управления замкнутым контуром, традиционный шаговый двигатель с открытым контуром полностью

Преодолеть
Проблема потери шага, и значительно улучшить высокоскоростную производительность шагового двигателя, уменьшить двигатель
Степень нагрева и уменьшение вибрации двигателя, дальнейшее улучшение скорости работы оборудования
Степень и точность, снижение энергопотребления оборудования. Кроме того, когда двигатель непрерывно

Перегрузке
Драйвер выведет сигнал тревоги с той же надежностью, что и Сервосистема переменного тока.
Подходящие размеры крепления двигателя с традиционными (57/60) и шаговыми двигателями серии 86
Полностью совместимая, традиционная схема шагового привода с открытой петлей может обеспечить плавное обновление, и
По сравнению с традиционной системой сервопривода переменного тока, стоимость очень высока.


Технические характеристики

 

·NEw чип DSP для32-разряднаяУправление двигателем;
·АDvanced vector технология замкнутого контура управления;
·Управление кнопкой дисплея светодиодной цифровой трубки Интуитивно понятное и простое в эксплуатации;
·SПостоянный ток и динамический ток могут быть установлены произвольно (0--7.2A диапазон);
·АDaptive drive (57/60) и 86 серии гибридные шаговые двигатели с замкнутой петлей;
·ЯNput/выход фотоэлектрического сигнала изоляции;

Частота импульсной реакции до 200 кГц;
·16 Общие подразделениеВарианты с максимальным256 делений (51200 импульсов/вращения);
·Обеспечивает соответствие электронных передач различным импульсным источникам (любое субделенное значение);
·Защита от перегрузки по току, перегрева, перенапряжения и погрешности отслеживания;

 

 

 

Электрические характеристики

 

 

 

 

 

Похожие товары

Новинки - Розница

0.0499 s.