Водный датчик уровня жидкости Vacorda


Поделиться:

Цена:150,68 ₽ - 904,06 ₽*
Стоимость в USD (на сегодня):Узнать

Количество:

Описание и отзывы

Характеристики

5.jpg

Почему стоит выбрать нас:
1.23 летОпыт производства КИПиА
2. Поддержка продукта(Разработанно специально для заказчика)/поо (производство оригинального, Экспорт в более чем 100 стран
3. Площадь компании20000Квадратных метров, и150 +Заказы в месяц
4. Предоставляем электронную почту, skype, whatsapp24 часа один на одинСлужба технической поддержки онлайн

Описание продукта:

Принцип работы

Поплавковый выключатель использует микропереключатель, чтобы быть контактными элементами. Когда уровень жидкости поднимается к поплавку, угол поплавки будет изменен на уровень жидкости. Когда он достигает определенного угла, будет включен или выключен выходной сигнал контакта на переключателях.

Установка 

.jpg

Основные параметры:

Поплавок Материал:

PP, SUS304

Свяжитесь с постоянной ёмкости, универсальный конденсатор:

 10A/250VAC (PP), 2A/250VAC (SUS304)
Тип контакта:1A, 1B или 1AB (PP), SPDT (SUS304)
Кабель спецификации:Резиновый кабель и ПВХ (PP), силикон: 0,75 мм2×3C (SUS304)
Диапазон температур:Резиновый кабель:-10℃ ~ 80℃, ПВХ кабель: 0℃ ~ 60℃, силикон: 0 ~ 170℃
Вес:> 0,6 г/см3(PP),> 0,5 г/см3(SUS304)

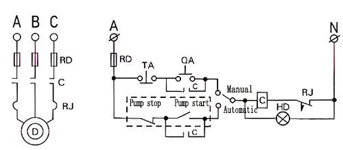
* Водяной насос ниже 220 В 1 кВт, можно использовать напрямую.

-3.jpg

* Водяной насос более 1 кВт, требуется компания или реле. *

-4.jpg

Сопутствующие товары

Информация о компании

Упаковка & Доставка

packing shipping


Новинки - Розница

0.0125 s.